This thread has been locked.

If you have a related question, please click the "Ask a related question" button in the top right corner. The newly created question will be automatically linked to this question.

关于ADC ADS7945输入电压范围问题

Other Parts Discussed in Thread: ADS7945

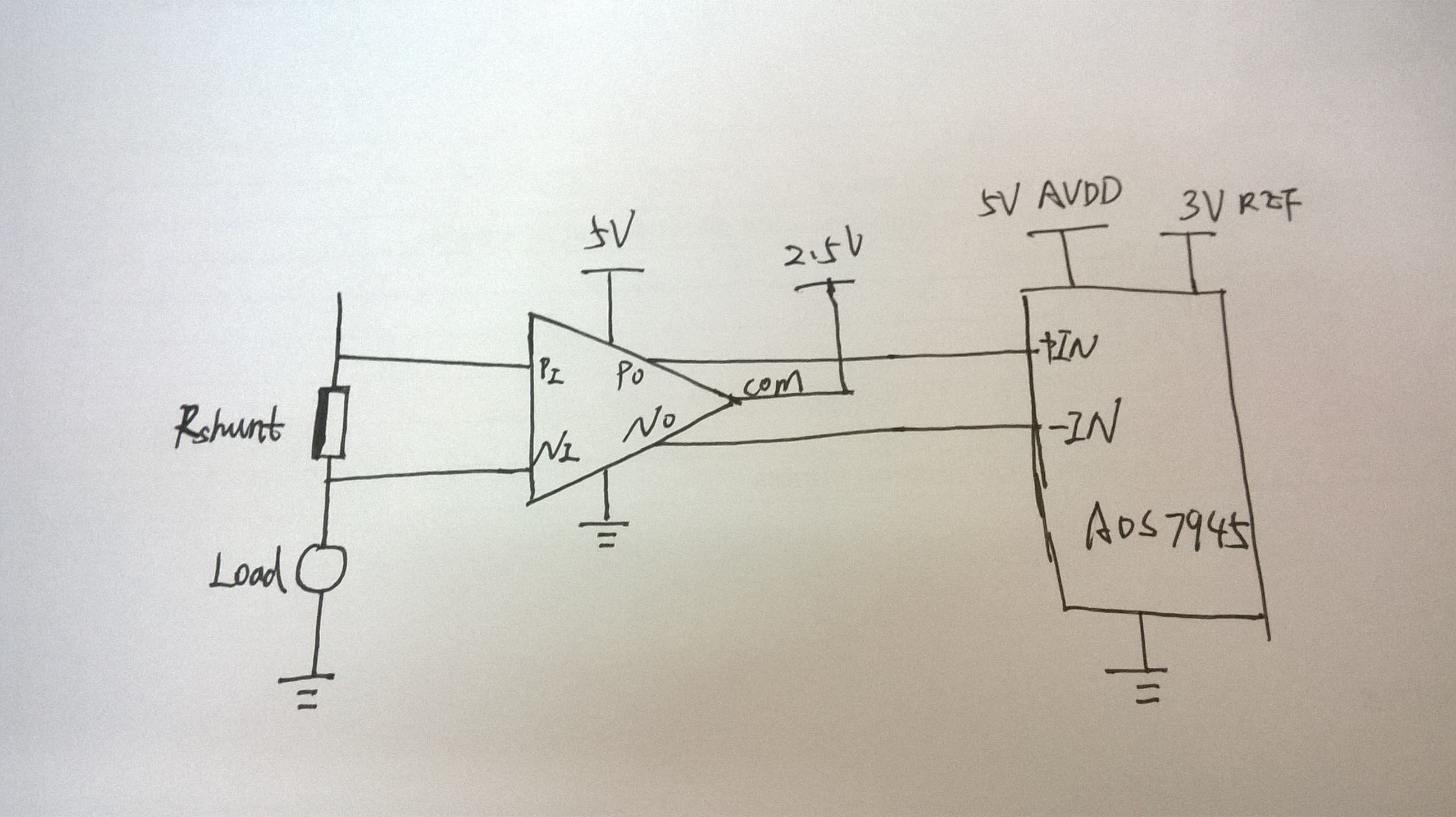
我设计了一个电路用来测量电流,正常待测电流范围为0-5A,单向;采样电阻为 0.1 欧姆;放大5.5倍给ADC;

使用的ADC为ADS7945,其供电AVDD为5V,DVDD为2.5V,参考电压VREF为3V;

ADC的前端驱动放大器为差动放大器,供电电压为5V,最大输出为4.9V,共模电压设置在2.5V;

这样在正常电流情况下,采样电阻上的电压范围为0-0.5V,放大5.5倍后,输入给ADC的差模电压范围为0-2.75V,低于VREF,共模电压范围为1.125V-3.875V,也低于AVDD,是可以正常工作的,我这样做可以吗?

如果可以的话,那么测到5.455A电流时,即输入给ADC的差模电压为3V,等于VREF,共模电压范围为1V-4V,也低于AVDD,ADC输出全1,也是可以正常工作的对吗?

如果以上都可以的话,我想问下,当负载发生短路时,电流最大可达8.8A,这样采样电阻上电压为0.9V,放大5.5倍后输入给ADC的差模电压范围为4.84V,高于VREF,但是,其共模电压范围为0.08V-4.92V,没有超过AVDD,请问这种情况下,ADS7945的输出会怎么样?是全1输出吗?还是其他未知状态呢?

因为我想电路发生时,短路电流变化太快,但是处理器还没来得及执行短路时的该执行的操作,ADC的差模电压已经超过VREF,导致ADC输出不是全1或者不确定状态,进而导致我不能通过ADC来检测短路。