Part Number: ADS131A04
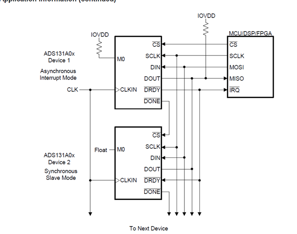
使用两片ADS131A04级联,FPGA作为主控,采用以下连接方式,时钟第一片接晶振,第二片时钟输入直接接第一片的CLKIN。抓取波形入下图,为什么发送ADCEN信号时,从片的片选信号没有生成。


This thread has been locked.
If you have a related question, please click the "Ask a related question" button in the top right corner. The newly created question will be automatically linked to this question.
在ADS131A04 产品主页如下路径提供了example code,我直接附在这里:ADS131A04 Example C Code
ADS131A04 产品主页链接:https://www.ti.com.cn/product/cn/ADS131A04

我的主控是FPGA,已经参考此代码编写FPGA程序,现在的问题不是因为这个造成的,换个问法,级联的时候主片DONE输出从片CS的条件是什么,规格书未能详细描述。从开始波形看配置为24bit时,发送48bit数据会自动在发送到24bit后产生一个从片的片选,但是在ADCEN的时候为什么不能正确产生。此代码可以配置完成让主片正确工作,所以我的配置流程是没有问题的。从片没有正确工作就是因为到ADCEN这一步他没有正确输出从片的片选,这让我很困惑,我目前所有的板子都是这种情况,并非个例
但是看到您下面截图都是2x开头,您是在进行读寄存器操作吗?
答复:这个是因为逻辑分析仪设置反了MOSI和MISO,因此,2fXX是设备的回复,我发送的是按照截图的程序发送值,按照以下代码顺序发送
parameter DEVICEID = 24'hff0400;
parameter UNLOCKACK = 24'h065500;
parameter A_SYS_CFG = 24'h4be200;
parameter D_SYS_CFG = 24'h4ca800;
parameter CLK1REG = 24'h4d0200;//clksrc=clkin,ficlk=fclkin/2
parameter CLK2REG = 24'h4e2700;//fmod=ficlk/2,fdata=fmod/384 //sampling rate=10.67k/sps
parameter ADC_ENA = 24'h4f0f00;
parameter WAKEUP = 24'h003300;
parameter LOCKREG = 24'h055500;
下面红色框中的波形与图中上部数值不对应吗?我怎么没看到您描述的2f2700和200000?
答复:红色框是device1已经配置成功,程序继续发送读取ADC的指令,两个设备共发送了240个0,这个时候device2才回复了很早之前发送的4F0F的唤醒指令。麻烦可以请教经验丰富或者比较擅长这方面的人员帮忙解答吗?目前代码,波形和原理图都提供了,为什么还没有理解当前的问题是什么。
很抱歉不能有效的解决您的问题,为更加有效地解决您的问题,建议您将问题发布在E2E英文技术论坛上,将由资深的英文论坛工程师为您提供帮助:
英文论坛对应子论坛链接:https://e2e.ti.com/support/data-converters-group/data-converters/f/data-converters-forum
很抱歉,我这边没有实现级联两片的电路板,没法帮助您,您可以问下FAE那边是否可以。
改变级联方式,采用以下方式
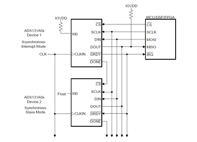
您为什么说是改变级联方式?您之前不是也使用的这种方式(First Device Configured in Asynchronous Interrupt Mode)吗?
在device2的片选信号消失的那一帧的device1的SCLK,检查下是否为24个SCLK周期?