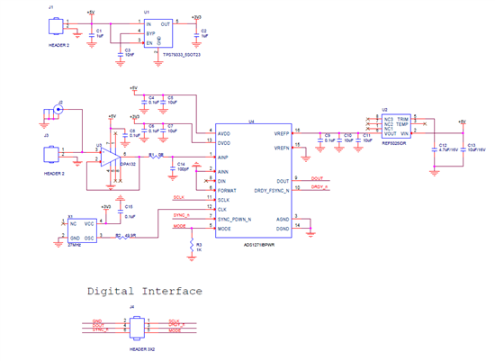
我正在用FT2232H结合MATLAB API DLL读取ADS1271数据,配置FORMAT模式为SPI模式,FT2232H不支持GPIO沿触发,支持SPI。考虑过外加FPGA或者CPLD,但是USB数据通信比较麻烦,所以暂时不考虑。想在外面通过逻辑电路来实现数据无丢读取,因为我采集的是交流信号,不允许数据丢失。请问有没有办法实现。
This thread has been locked.
If you have a related question, please click the "Ask a related question" button in the top right corner. The newly created question will be automatically linked to this question.
我正在用FT2232H结合MATLAB API DLL读取ADS1271数据,配置FORMAT模式为SPI模式,FT2232H不支持GPIO沿触发,支持SPI。考虑过外加FPGA或者CPLD,但是USB数据通信比较麻烦,所以暂时不考虑。想在外面通过逻辑电路来实现数据无丢读取,因为我采集的是交流信号,不允许数据丢失。请问有没有办法实现。