Other Parts Discussed in Thread: PCM1794, PCM1794A
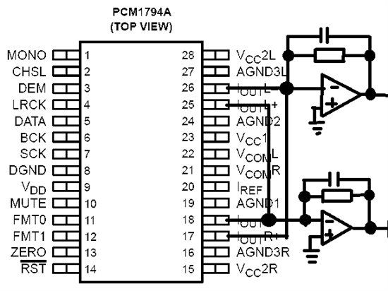
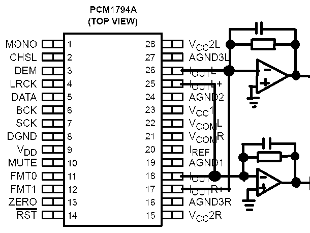
两片pcm1794a组成立体声,i2s传输,左声道的pcm1794设置为mono L-channel,1794的输出端该怎么连?如图所示接法对不对?
This thread has been locked.
If you have a related question, please click the "Ask a related question" button in the top right corner. The newly created question will be automatically linked to this question.
我想这样设计对提升音质会不会有帮助?原来一片芯片两个DAC服务两个声道,现在这样设计一片芯片两个DAC服务一个声道。