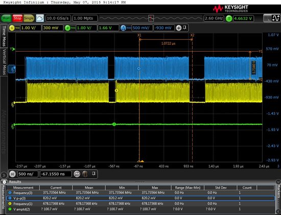
我输入的采样频率是1.6GHZ,然后用的是双通道间歇采样,1:4Dumex模式。 DCLK最后输出为400MHZ。但是DCLK不是连续的,中间会出现空白。如下图所示。
蓝色波形就是DCLK。谁能解释下中间的空白,就是不连续处。急!!!
This thread has been locked.
If you have a related question, please click the "Ask a related question" button in the top right corner. The newly created question will be automatically linked to this question.