This thread has been locked.

If you have a related question, please click the "Ask a related question" button in the top right corner. The newly created question will be automatically linked to this question.

ADS1115和STM32F4板子的通讯问题

Other Parts Discussed in Thread: ADS1015, ADS1115

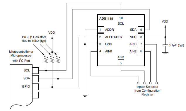
实际连接时,ALERT是悬空的,上拉电阻是10K,我用的是差分输入,AIN0接地,AIN1接3.3v,AIN2和AIN3都是悬空的,VDD也是3.3V供电。SCL和SDA分别和STM32F4板子上的SCL和SDA连接。我现在的问题是输出的数一直都是不变的,如果选用4和5差分输入,输出永远是131;如果选用6和7差分输入,输出永远是179.而且断开SCL和SDA与AD的连接,输出也是不变的。但是我以前这么做的话是成功读出来数过得,然后它就一下子不好使了,我也不知道哪里出现问题了,请各位TI的工程师帮忙看看。