This thread has been locked.

If you have a related question, please click the "Ask a related question" button in the top right corner. The newly created question will be automatically linked to this question.

AMC7823出现二通道内码在500左右不线性

Other Parts Discussed in Thread: OP07, LM324, AMC7823

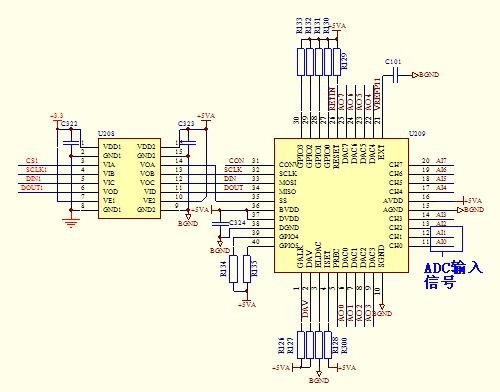
我们测试,1通道的内码从300到4098都是线性的(小于300的没测试)而二通道,小于500左右(几个片子测试下来都不一样),就不线性了,误差比较大。我们把二通道接到三通道上,三通道测试就正常的,线性的。但是二通道依然还是不线性。不太像外围电路的问题。所有通道的内部配置是一样的。采样的信号时0-5V的信号。参考电压输入是2.5V。哪位大神大概知道原因帮忙下,谢谢!~~

  •       每个通道采样都是一个直流的电压信号,目前使用一个信号源设备来做的测试,同时采样8路。电压的基准是用内部的基准1.25V通过OP07运放放大到2.5V的一个电压基准。每两路通过LM324放到后到AMC7823,信号的幅值范围为0-5V(0-5V对应0-10V)

           测试先用信号源从0V-1V-2V-3V-4V-5v,这样的测试,在一通道没有问题,测试第二通道时在1V左右信号输入,出现偏差±0.3V,重复在这个输入值的附近测试输出的偏差值不固定且有时正有时负。在2、3、4、5V没有问题。然后改为每次0.1V的步进测试,发现还是在0.9-1.1V的输入信号,还是出现偏差±0.3V左右,重复在这个输入值的附近测试输出的偏差值不固定且有时正有时负。但两种测试同一样的信号源变为第三通道时有正常。我们以前用AMC7823在其他的应用上面没有出现过这个问题。麻烦帮忙解决下。