Other Parts Discussed in Thread: SN65LVDS93A, SN65LVDS94
我们做车载导航产品, 驱动屏(800*480)的 RGB888信号先通过SN65LVDS93A转换成 LVDS 信号、通过FPC排线连接到屏显示板、再通过 SN65LVDS94转换为 RGB888 驱动 LCD。
现发现 SN65LVDS94 转换出来的 RGB888 / HS / VS / DE 都不对, 其中本来改输出 VS 的 PIN 脚输出了 DE, 其他输出信号感觉都混了。
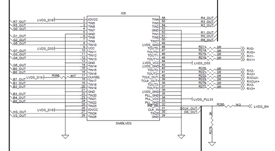
下图是我们的LVDS93A/LVDS94 的设计, 烦请指教是什么地方有可能导致这个情况出现?

