This thread has been locked.

If you have a related question, please click the "Ask a related question" button in the top right corner. The newly created question will be automatically linked to this question.

ADS1120测量电阻桥的问题

Other Parts Discussed in Thread: ADS1120, ADS1118

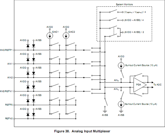
需要测量一个电阻桥和pt1000二线制,在手册看到测量电阻桥时ADS1120将4引脚(AIN3/REFN1)和9引脚(AIN0/REFP1)作为参考电压,电阻桥输出信号引到8及5引脚进行测量,

请问

1.是否可以将电阻桥2端电压作为参考电压接入6引脚(REFN0)和7引脚(REFP0),电阻桥输出信号接入到4引脚和5引脚,剩下的用于测量pt1000?

2.在电阻桥后加仪表放大器放大信号后在将信号接入ADS1120,是否可行?

  • 看一下下面这个内部图就明白了

  • 感谢回复

    在3V激励下,电阻桥输出差分信号较小,所以准备用仪表放大器把信号放大,这样就变成了单端信号,2线制热电阻采用输出差分信号来检测,是不是每次循环检测这2个信号都需要重新配置寄存器?

  • 你好!

    对于第一个问题,是可以你说的那样接的,从ADS1120的内部框图上,我们可以根据需要灵活配置。

    对于你后面说的问题,ADS1120 PGA可以到128倍,请问你的放大倍数是多少呢? 是否可以借助内部的PGA而不需要外部再通过仪表放大器呢?

    如果按你所说的一个是单端信号,一个是差分信号,也可以不需要每次配置单端还是差分,只需要将单端信号一端接例如AIN2,而AIN3接单端信号过来的地或者自己系统的地即可,也即做成伪差分。

    请问你应用ADS1120主要是用在哪个具体的应用场合呢?看我们可否给你提供更好的技术支持!

    像我们的ADS1118(2路差分16bit D-S ADC,体积更小功耗更低  Gain最大到16)也是常用的料,你可以关注了解下!

    谢谢!