出现的问题:DRDY一直是高电平!!
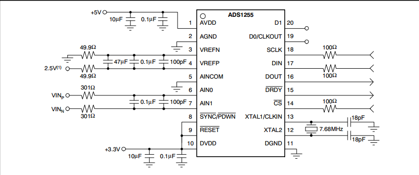
电路图如图1所示:(为芯片资料上的)
图1
程序代码如下:
#include <msp430x14x.h>
#include "ads1255.h"
union{
long rlong;
struct
{
unsigned char lbyte; //低字节
unsigned char mbyte; //中间字节
unsigned char hbyte; //高字节
unsigned char zbyte; //符号
}Bytes;
} Adc_result;
unsigned char Write_SPI_One_Byte(unsigned char Byte) //采用MSP430系列单片机的SPI通信模式向ADS1255写入一个字节
{
U0TXBUF = Byte; // 发送一个字节
while(!(U0TCTL & TXEPT)); //检测是否发送完毕
return U0TXBUF;
}
void Write_SPI_Several_Byte(unsigned char length,unsigned char* pSend)//采用SPI通信模式向ADS1255写入多个字节
{
while(length--) //检测是否发送完毕
{
*pSend = Write_SPI_One_Byte(*pSend);
pSend++; //指针自加
}
}
void Write_Ads1255_Reg(unsigned char addr,unsigned char data)//往一个寄存器里写数据,addr为要写寄存器的地址, data为要往寄存器里写入的值
{
unsigned char send[] = {0x50,0x00,0x00};
send[0] |= addr;
send[2] |= data;
Write_SPI_Several_Byte(sizeof(send),send);
}
void Init_Ads1255(void)//初始化ADS1255
{
while(P2IN & BIT2);
Write_Ads1255_Reg(0x00,0xf4); //STATUS REGISTER:Auto-Calibration Enabled,Analog Input Buffer Disabled
while(P2IN & BIT2);
//Write_Ads1255_Reg(ADS1255_MUX,0x08); //AIN0 is Positive,single-ended measurements
//此处输入模式选择为单极输入模式AIN0为正输入端,
Write_Ads1255_Reg(0x01,0x01); //Input Multiplexer Control Register:AIN0 is Positive,AIN1 is Negative,differential measurements
//此处输入模式选择为差分输入模式AIN0为正输入端,AIN1为负输入端
while(P2IN & BIT2);
Write_Ads1255_Reg(0x02,0x00); //此处0x00为关闭16脚的时钟输出,并选择增益为Gain=1(此时分辨率最高为25.3位)
//Gain的最大值可设置为64,但此时分辨率就会降低为22.5位
while(P2IN & BIT2);
Write_Ads1255_Reg(0x03,0xf0); //指定A/D的数据采样速率
while(P2IN & BIT2);
Write_Ads1255_Reg(0x04,0x00); //GPIO控制寄存器
}
void Read_Ads1255_Reg(unsigned char addr)//读一个寄存器
{
unsigned char send[] = {0x10,0x00};
send[0] |= addr;
Write_SPI_Several_Byte(sizeof(send),send);
}
void Read_Ads1255_Data(unsigned char Continuously)//读一个寄存器
{
if(Continuously) Write_SPI_One_Byte(0x03); //连续读取数据
else Write_SPI_One_Byte(0x01);
}
void Set_Ads1255_Selfcal(void)//自动校准
{
Write_SPI_One_Byte(0xf0);//SELFCAL command byte(in order to get the best performance)
}
void Set_Ads1255_Sync(void)
{
Write_SPI_One_Byte(0xfc);//sync command byte
}
void Set_Ads1255_Standby(void)
{
Write_SPI_One_Byte(0xfd);//standby command byte
}
void Set_Ads1255_Wakeup(void)
{
Write_SPI_One_Byte(0xff);//wakeup command byte(0xff can too)
}
void Set_Ads1255_Reset(void)
{
Write_SPI_One_Byte(0xfe);//Reset to Power-Up Values
}
long int Ads1255(void)
{
int ival;
long int adresult;
while(!(P2IN & BIT2));
while(P2IN & BIT2); //DRDY信号为低表示AD转换完成
Read_Ads1255_Data(0); //read data
for(ival = 0; ival < 20; ival++);
Write_SPI_One_Byte(0x05);
Adc_result.Bytes.hbyte = U0RXBUF;
Write_SPI_One_Byte(0x05);
Adc_result.Bytes.mbyte = U0RXBUF;
Write_SPI_One_Byte(0x05);
Adc_result.Bytes.lbyte = U0RXBUF;
Adc_result.Bytes.zbyte = 0x00;
if(Adc_result.Bytes.hbyte & 0x80) Adc_result.Bytes.zbyte = 0xff;
adresult = Adc_result.rlong;
return adresult;
}
float Sample(unsigned char count) //电压采样及计算函数
{
unsigned char c;
long int adresult, sum = 0; //用于临时保存电压份数值和电压份数累加值
float result = 0;
for(c = 0; c < count; c++)//cout用于指定电压采样的次数
{
adresult = Ads1255();//将从芯片中读取的电压份数保存到变量adresult中
sum = sum + adresult;//将从芯片中读取的电压份数累加到变量sum中
}
result = sum / count;//为得到准确的电压份数值需要用电压份数累加值除以采样的次数以得到平均电压值份数
result = 59.3686 * result / 100000;//此处测试的实际参考电压为V。
return result;
}
void Rest_ad1255()
{
/***********以下初始化ADS1255的程序**************/
P2DIR &= ~BIT2;
P3DIR |= 0;
P3SEL |= 0;
P3SEL |= BIT3 + BIT2 + BIT1; // Setup P3 for SPI mode
U0CTL = CHAR + SYNC + MM + SWRST; // 8-bit, SPI, Master,Software reset enable
U0TCTL = SSEL0 + SSEL1 + STC; // SMCLK, Normal polarity, 3-wire
U0BR0 = 0x002; // *** = SMCLK/2
U0BR1 = 0x000;
U0MCTL = 0x000;
ME1 = USPIE0; // 模块允许
U0CTL &= ~SWRST; // SPI允许
Set_Ads1255_Reset(); //ADS1255复位
while(P2IN & BIT2);
Write_Ads1255_Reg(0x04,0x03);
while(P2IN & BIT2);
Write_Ads1255_Reg(0x04,0x00);
while(P2IN & BIT2);
Write_Ads1255_Reg(0x04,0x03);
while(P2IN & BIT2);
Write_Ads1255_Reg(0x04,0x00);
Set_Ads1255_Reset();
Set_Ads1255_Selfcal();
Init_Ads1255();
}
