1.没看懂这里的接口,哪位大神指点下
2.这里的电容用贴片的陶瓷电容还是电解电容呢
This thread has been locked.
If you have a related question, please click the "Ask a related question" button in the top right corner. The newly created question will be automatically linked to this question.
1.没看懂这里的接口,哪位大神指点下
2.这里的电容用贴片的陶瓷电容还是电解电容呢
Hi
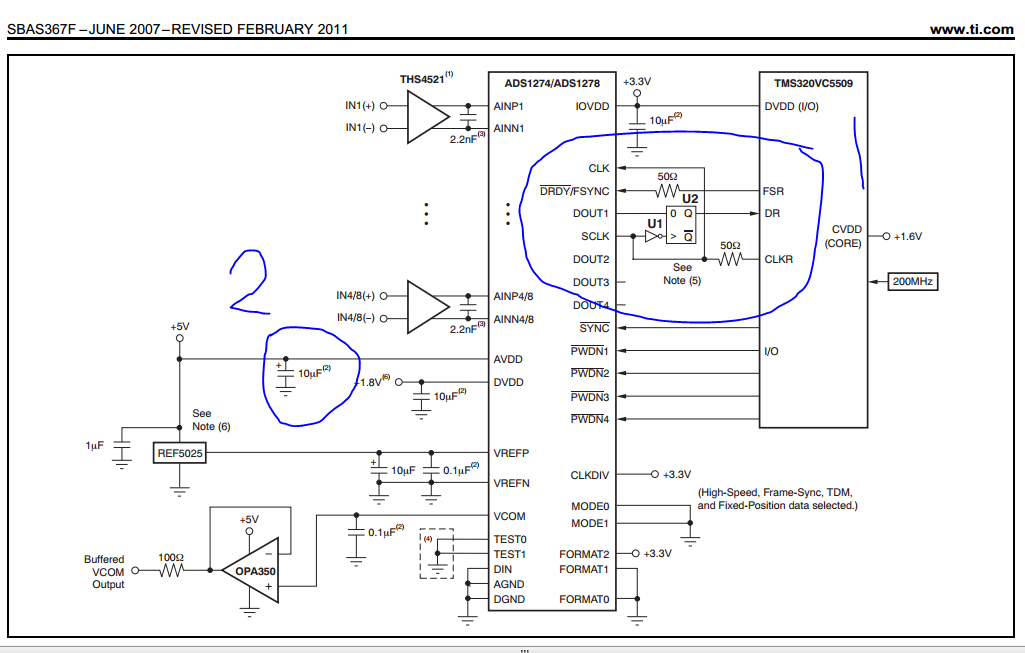
1: datasheet有解释: U1: SN74LVC1G04; U2: SN74LVC2G74. These components re-clock the ADS1274/78 data output to interface to the TMS320VC5509.
2: 陶瓷电容。
1.请问与STM32接口也是这样吗,该文档的2007版是没有U1跟U2的啊,不要可以不。。。
1.2.还有就是你们有ADS1274跟STM32连接的电路图吗,有STM32可以参考的程序吗
2.陶瓷电容怎么会有正负极呢,,,
多谢啦!!!!!
恩恩,谢啦,把这两个器件去掉可以正常工作吗?这里的SCLK跟CLK直接相连了啊,
有与STM32的原理图吗,有STM32的驱动程序吗??