你好!
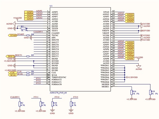
我第一次使用ADS1278芯片做数据转换,模式选择的是SPI,MODE采用低速转换,CLK外接一个5M的有源晶振,SCLK接到ARM7单片机上,单片机提供2M的时钟信号。可是芯片上电后VCOM引脚一直输出5V,DOUT1通过示波器发现只有十几毫伏幅值波形输出,VREFN引脚由于疏忽和VREFP接连了,不过我已经通过飞线把VREFN接到模拟地了。测试好几天了,一直是这样,也不知道是什么原因?恳请大仙帮忙看看,谢谢!
This thread has been locked.
If you have a related question, please click the "Ask a related question" button in the top right corner. The newly created question will be automatically linked to this question.
你好!
我第一次使用ADS1278芯片做数据转换,模式选择的是SPI,MODE采用低速转换,CLK外接一个5M的有源晶振,SCLK接到ARM7单片机上,单片机提供2M的时钟信号。可是芯片上电后VCOM引脚一直输出5V,DOUT1通过示波器发现只有十几毫伏幅值波形输出,VREFN引脚由于疏忽和VREFP接连了,不过我已经通过飞线把VREFN接到模拟地了。测试好几天了,一直是这样,也不知道是什么原因?恳请大仙帮忙看看,谢谢!