This thread has been locked.

If you have a related question, please click the "Ask a related question" button in the top right corner. The newly created question will be automatically linked to this question.

TUSB1104EVM: TUSB1104EVM

Part Number: TUSB1104EVM

TUSB1104EVM 问题咨询:

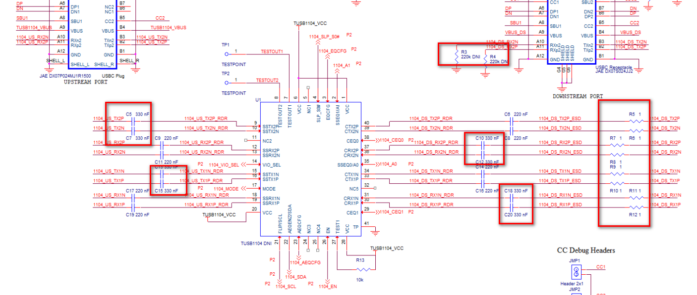
1).redriver输入和输出串的AC CAP有200nF,还有330nF,有啥区别;全部使用220nF是否可以;

2).输出有串1ohm电阻,是为了ESD保护,RX有并200K到GND也是ESD保护?

9f6e562b2cec5e915d5f90972b310d39.png