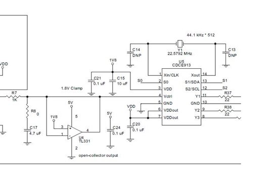
我在产品中使用用CDCE913 (3.3V) 做PLL, 因为Vctrl 的范围是0~1.8V的, 所以参考设计的此脚加了一个比较器做箝位(到1.8V),
我的问题是?
1.我是否可以在鉴相器输出端(低通滤波前)用一个3.3V->1.8V 的电平转换器, 而不用这个箝位比较器。
2.如果可以, 在性能方面有什么不同?
3. 说明一下,这个箝位比较器是怎么工作的?
请帮助解答,谢谢各位!
图片来自 TI Scaa088
This thread has been locked.
If you have a related question, please click the "Ask a related question" button in the top right corner. The newly created question will be automatically linked to this question.
你好
我看不到完整的原理图,但是这个比较器应该只是做一个保护的钳位:一旦输入的信号超过1.8V,就会把Vctrl拉低,保护VCXO,而不是一直都是个1.8V的电平
你能否说明下TL331之前的电路是怎样的