大家好:
DP83640总是损坏,网络偶尔断线,什么原因呢
This thread has been locked.
If you have a related question, please click the "Ask a related question" button in the top right corner. The newly created question will be automatically linked to this question.
你好,
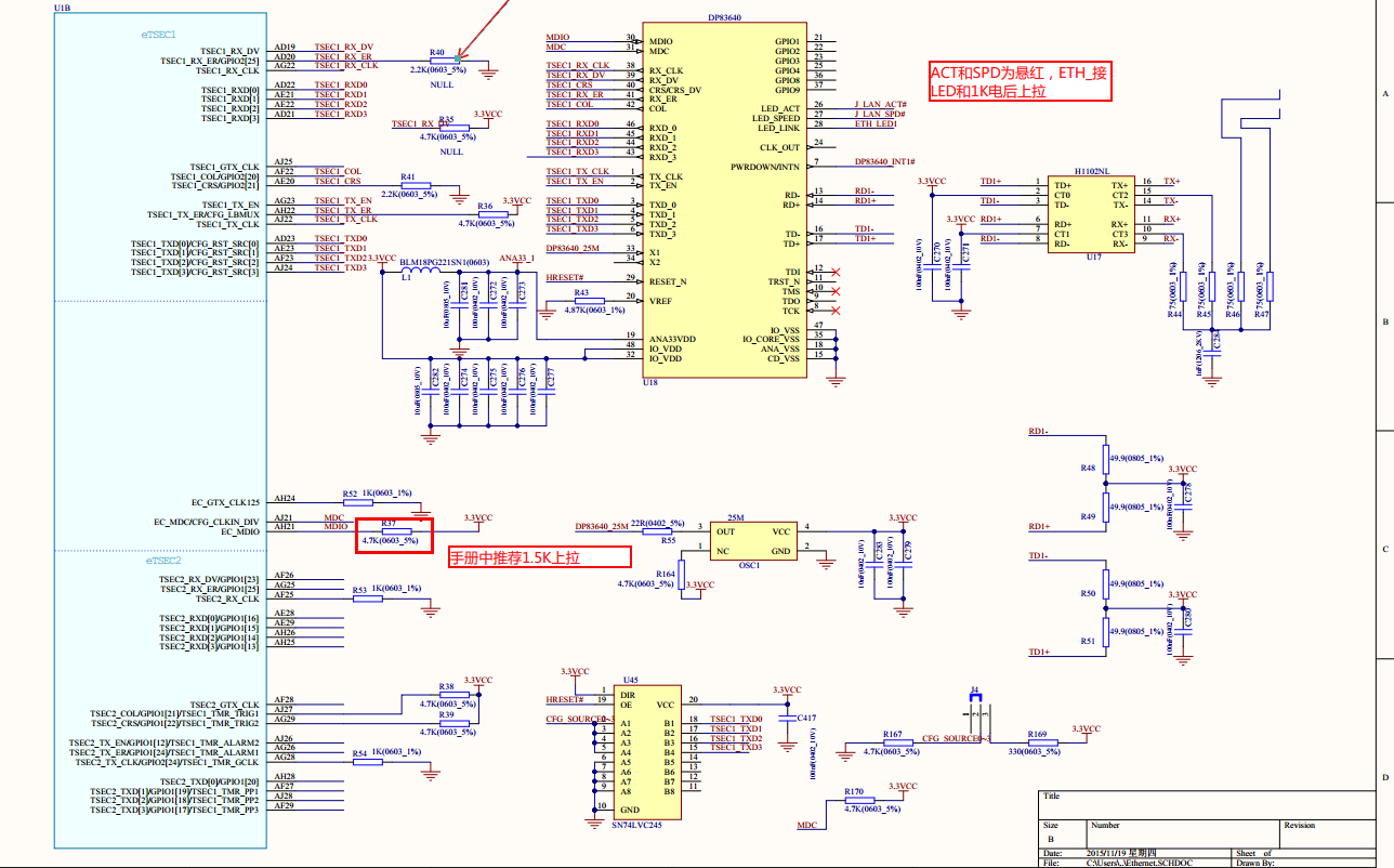
请在RDI+/-, TDI+/-与地之间增加ESD器件,一共需要4个ESD通道,靠近PHY管脚摆放,推荐使用TI 的TPD4E1U06
你好,根据以下链接的描述好像是应该靠近RJ45摆放,请确认
http://e2e.ti.com/support/interface/circuit-protection/f/389/t/476740#pi239031350filter=all&pi239031350scroll=false
“An objective in ESD protection design is to place the TVS as close to the source as possible, which helps to suppress any EMI entering the system as soon as possible. IF POE is used, the ESD protection should be between the magnetics and PHY so that the TVS is not being biased by the POE. In the case of tidu515a.pdf there is no POE, so placing the TVS near to the RJ45 connector is possible. ”
你好,我们最近试了一下TPD4E1U06,片子没有损坏,但在高压环境下会有频繁的通信超时的现象,这种现象会是什么原因呢?