This thread has been locked.

If you have a related question, please click the "Ask a related question" button in the top right corner. The newly created question will be automatically linked to this question.

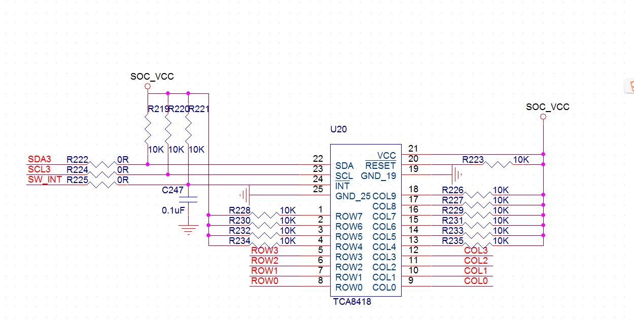
TCA8418 24PIN 无响应 INT一直高

       采用的4*4键盘,电压是3.15V,I2C写数据一直没有ACK,键盘按下,INT一直是高电平没有拉低,调试了好久一直没有效果,请支持下。附件是电路图和波形图。 其中起始0X68 reg:0X0A DATA:0XAA