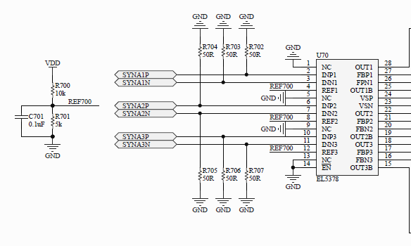
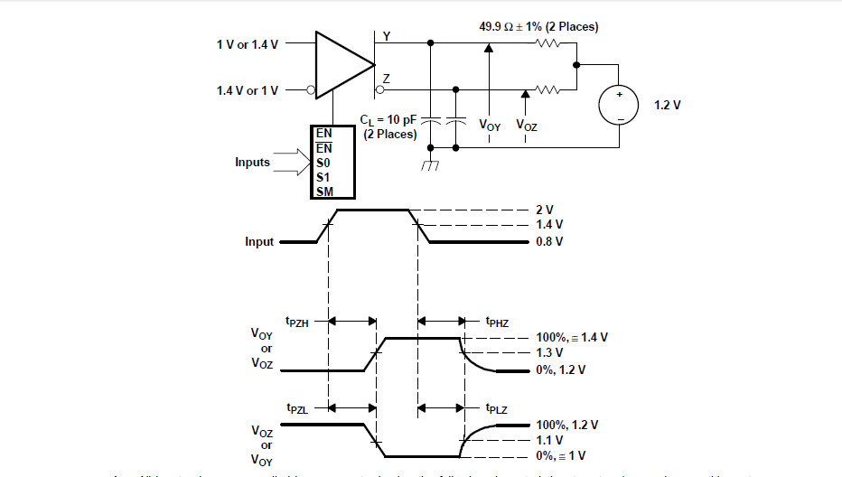
下面是SN65LVDS116的Y和Z脚输出波形图,但是根据手册描述,他们的共模输出电压不是应该在1.125-1.375V么?他们不是应该在1.2V左右上下摆动么?
This thread has been locked.
If you have a related question, please click the "Ask a related question" button in the top right corner. The newly created question will be automatically linked to this question.
下面是SN65LVDS116的Y和Z脚输出波形图,但是根据手册描述,他们的共模输出电压不是应该在1.125-1.375V么?他们不是应该在1.2V左右上下摆动么?
你好,
如果测试点正确,应该是Y脚和Z脚应该是在以大概1.2V的共模电压上下摆动,差分电压350mV左右。你确认下测量的地方对吗?不要点到了输入A和B端
如果回答了您的问题,请帮忙确认,谢谢!
Best regards,
Sulyn Zhang
你好,
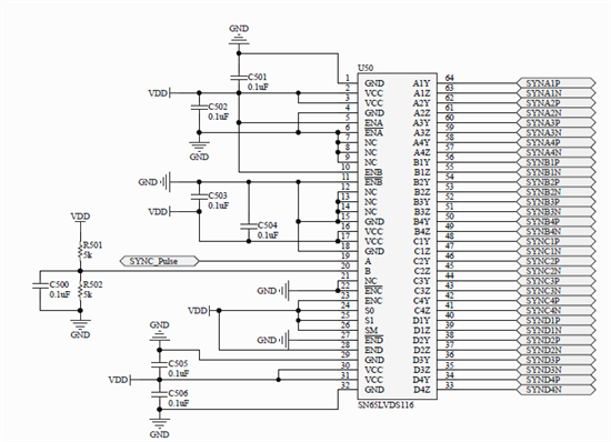
建议你这样调试下,你把EL5378这颗芯片先取下,然后选择一个SN65LVDS116的输出通道飞线接100终端欧姆电阻,再测试看看输出差分电压和共模电压。
如果你的问题得到回答,请帮忙点确认,谢谢!
Best regards,
Sulyn Zhang