有数据输入,也有数据输出,但是输入彩色信号输出的数据会变成黑白的,tfp403输出时钟ODCK是这样的,一会有一会儿没有,这正常吗?顺便再问一句,TFP403支持解码1280*720的视频吗?我看数据手册上写的是支持1080P的
This thread has been locked.
If you have a related question, please click the "Ask a related question" button in the top right corner. The newly created question will be automatically linked to this question.
有数据输入,也有数据输出,但是输入彩色信号输出的数据会变成黑白的,tfp403输出时钟ODCK是这样的,一会有一会儿没有,这正常吗?顺便再问一句,TFP403支持解码1280*720的视频吗?我看数据手册上写的是支持1080P的
TFP403能够支持的最大pixel clock为165MHz,所以1280*720@60Hz的分辨率是没有问题的。
关于ODCK,需要看接的panel的类型是TFT还是DSTN的。
For TFT support ODCK clock runs continuously. For DSTN support ODCK only clocks when DE is high; otherwise ODCK is held low when DE is low.
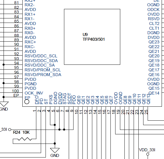
刚刚看错了,设置时钟的是DFO引脚,DFO为高ODCK为DSTN模式,当DFO为低时TFT模式,但是你能帮我看一下PIXS接地,DFO接10K电阻接到PIXS上,那DFO应该是高电平还是低电平啊
PIXS的接法决定了采用一个像素时钟模式还是两个像素时钟模式。
而DFO的高低决定了输出时钟ODCK的模式。如果DFO通过10K电阻到PIXEL,而PISEL接地,那么DFO也是低电平啊。那么此时输出的ODCKin应该为连续模式。
如果DFO为高电平,那么当DE为low电平时候,ODCK也保持为低。
因此如果你采用了上面电路,DFO为低,输出ODCK为持续的,如果目前测试的时有时无,那么看下SCDT引脚输出状态,看下整个link是否为inactive的,输入TMDS信号是否为有效信号?
刚刚测了一下,链路是正常的,而且输入是有正常的信号的,现在就是经过解码输出到显示,显示的图像是有问题的
如果整个链路都是正常的,那TFP403应该没问题,看下panel的spec,再检查下RGB的引脚连接是否正确。