This thread has been locked.

If you have a related question, please click the "Ask a related question" button in the top right corner. The newly created question will be automatically linked to this question.

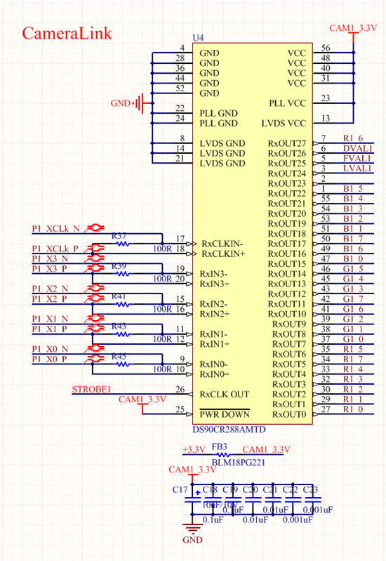
DS90CR287/288的硬件设计问题

Other Parts Discussed in Thread: DS90CR287

在使用TI的DS90CR287/288设计camlink口的CCD相机的硬件电路时,不断的对PCB掉电和上电,20次内会有3-4次出现行信号(LVAL)丢失的情况,请问的怎么引起的,有什么方式解决,电路图如下: