Other Parts Discussed in Thread: TXS0104E, TXB0104
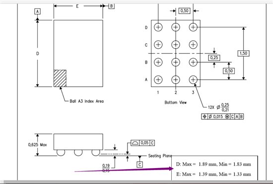
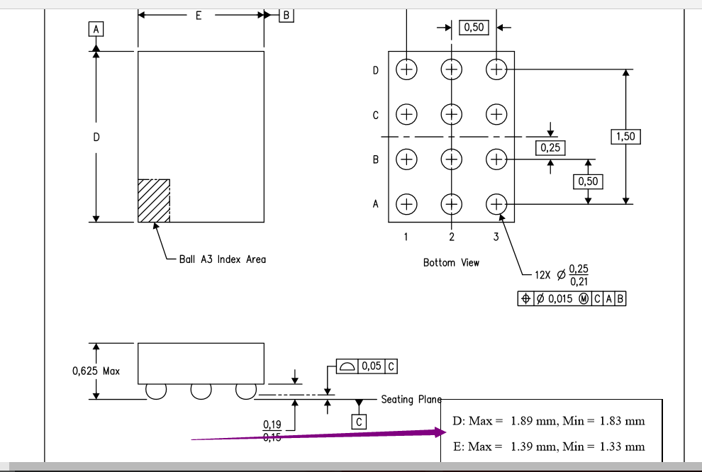
在TXS0104E规格书中第一页发现,DSBGA尺寸标记是1.9*1.9:但是后面封装描述又变成1.4*1.9,请问具体是多少,为什么不一样? 如果是1.4*1.9那么TXS0104能pin2pin替代TXB0104使用吧?

This thread has been locked.
If you have a related question, please click the "Ask a related question" button in the top right corner. The newly created question will be automatically linked to this question.
BGA封装,Pin12,D的距离有4 pin,E的距离有3pin,所以应该是长方形,尺寸应该是1.4*1.9。而不是正方形1.9*1.9.
是的,同样DSBGA的能替代,并且TXB0104的尺寸也是标注的1.4*1.9.感谢您的细心。zhijun zhao 说:TXS0104能pin2pin替代TXB0104使用嘛?
TXS和TXB二者的区别在于TXB系列不建议用在开漏输出比如I2C这种应用。