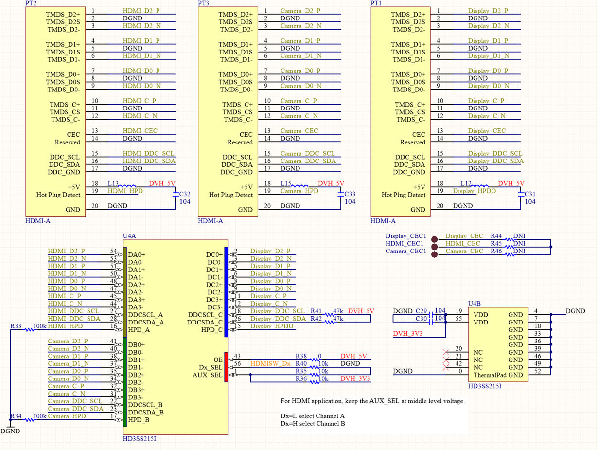
之前试用过TMDS261调试成功,但新的项目有低温要求所以换用了HD3SS215
电路配置为 2Source to 1sink 的切换方式 ,AUX_SEL middle电平
DA通道为HDMI 源1
DB通道为HDMI 源2
DC通道为HDMI 显示器
DVH_3V3为电路板供电
DVH_5V使用电路板供电 或 HDMI口供电均尝试过
目前通过Dx_SEL切换源,在信号源端能检测到显示器的信息(说明切换动作 和DDC I2C的信息已正常)
但是显示器端始终没有图像,不管切换源1还是源2路均无图像输出。
可否帮忙看一下,给一些调试建议。谢谢
我的原理图
