This thread has been locked.

If you have a related question, please click the "Ask a related question" button in the top right corner. The newly created question will be automatically linked to this question.

TLK1501光纤通讯不稳定

Other Parts Discussed in Thread: TLK1501

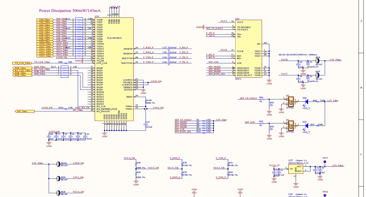
主芯片是FPGA,通过TLK1501进行光纤双向通讯,上电后随机出现光纤通讯正常和通讯失败的情况,排查发现TLK1501上电不稳定,一定概率的出现同步失败,下面是原理图,请方便的时候帮我们看一下是否有问题,非常感谢。

  • 硬件电路上把Enable,TX_EN,LCKREFN通过连线拉高,没有通过FPGA控制,这样是否会影响上电后的同步操作?
  • 对于TLK1501的电源,电路上建议是要有效滤波,数字VDD和模拟VDD最好是通过磁珠分开,滤波电容尽量靠近电源端。 Enable,TX_EN,LCKREFN通过接线控制也是可以的。

    另外,如果目前电源不稳定的话,使用这个电源先做个回环loopback 测试,看是否内部自环测试能否成功,从而判定是否电源出现问题。