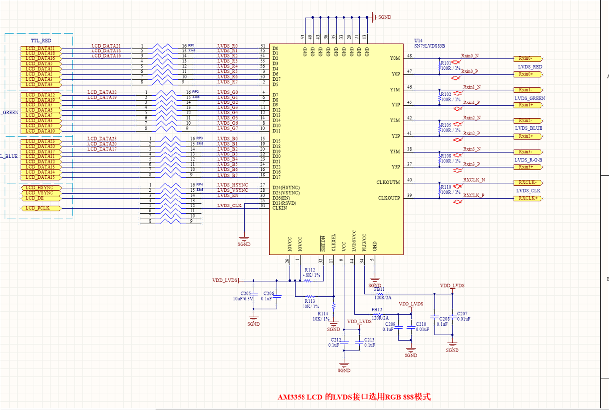
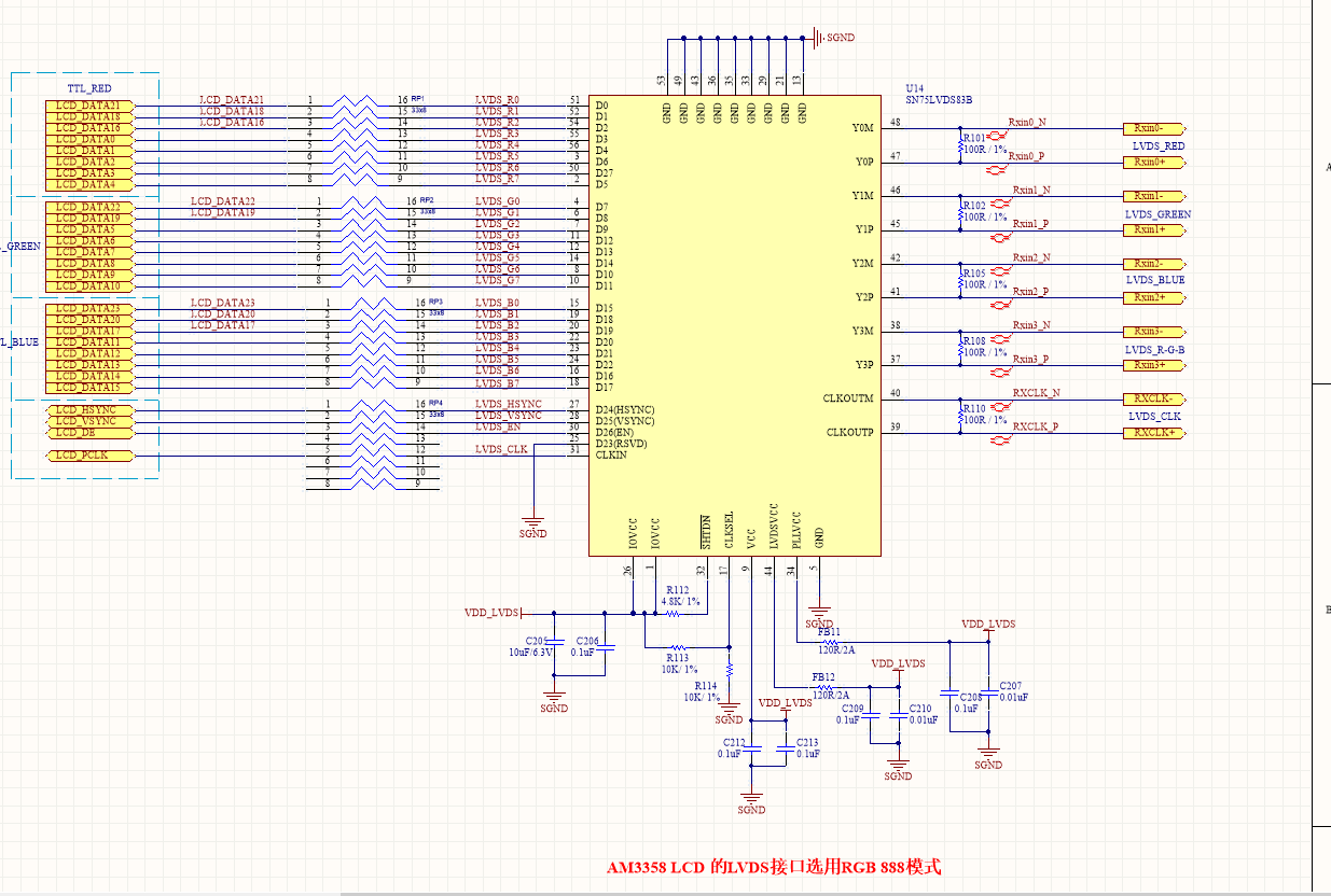
我们在应用SN75LVDS83B于AM3358的LCD RGB888模式时,用手指触碰 SN75LVDS83B IC背面,屏会闪烁且显变暗,请教这是正常还是说电路干扰问题
?
This thread has been locked.
If you have a related question, please click the "Ask a related question" button in the top right corner. The newly created question will be automatically linked to this question.
我们在应用SN75LVDS83B于AM3358的LCD RGB888模式时,用手指触碰 SN75LVDS83B IC背面,屏会闪烁且显变暗,请教这是正常还是说电路干扰问题
?