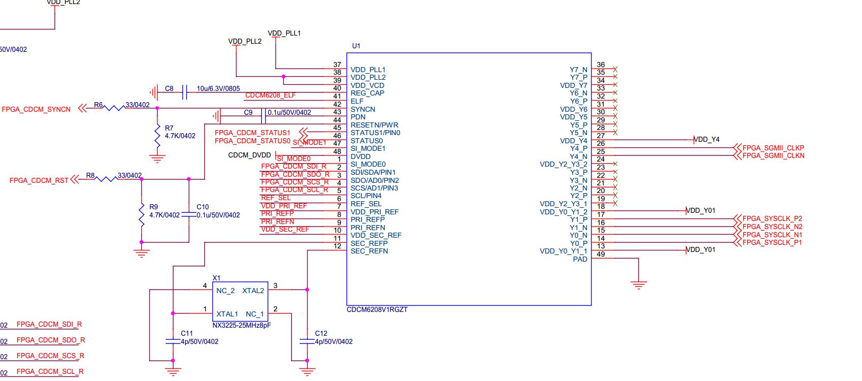
目前正在使用CDCM6208芯片作为一个开发板的时钟芯片,晶振时钟从SEC端口输入,输入时钟正常,SPI配置目前也正常(测试中对SPI进行了写--读操作,读出的数据正常),设置中将STATUS0信号设置为PLL锁存指示位,但配置完释放RSTN和SYNC端口后,输出没有时钟,STATUS0也没有拉高,我想请问下是什么问题。
配置SPI寄存器参数如下:
开发板的电路图如下:
其中VDD_PLL1和VDD_PLL2的电压值为3.3V,CDCM_DVDD电压值为2.5V,右侧的VDD_Y01和VDD_Y04均为1.8V
