您好:
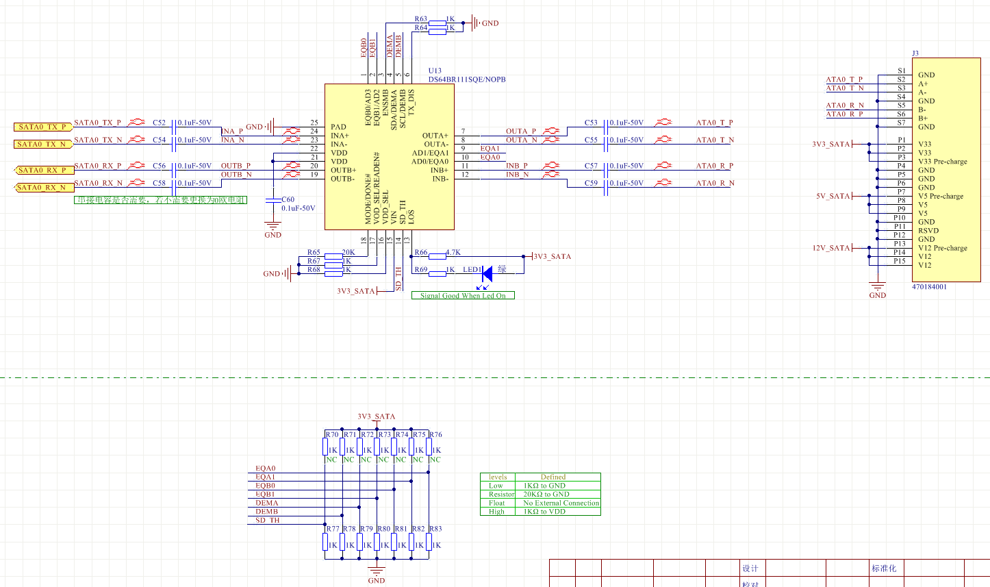
DS64BR111SQE/NOPB作为SATA Redriver使用时,一端连接IPC工控模块,另一端连接HDD/SSD系统盘,现在手中有三块系统盘,(1)320G,SATA Gen2,(2)120G,SATA Gen3,(3)120G,SATA Gen3,三个硬盘安装的系统是一样的,开机启动时,状况不一样,
使用SATA Gen3的硬盘,系统能够正常启动,并进入Windows7系统,但Gen2的系统盘在系统启动瞬间提示无法找到磁盘。
问题:麻烦帮我确认Pin脚配置是否正确,另外芯片最高支持6.4Gbps,应该是向下兼容的吧?怎么设置才能兼容SATA Gen2?谢谢。
