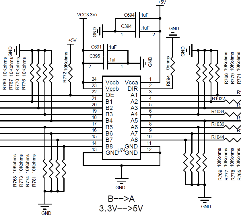
SN74LVC8T245-Q1在刚上电时,信号会输出100us高电平脉冲,请问这个是什么原因
This thread has been locked.
If you have a related question, please click the "Ask a related question" button in the top right corner. The newly created question will be automatically linked to this question.
SN74LVC8T245-Q1在刚上电时,信号会输出100us高电平脉冲,请问这个是什么原因
您好,电路没什么问题,上电时,是否保证OE是高电平状态? 然后等VCC 上电起来稳定之后再将OE拉低?
也就是上电期间,保证OE是一个由高到低的变化过程? 因为如果没有等VCC起来之后就将OE拉低,使得器件输出enable状态,输出一个短时的脉冲信号。