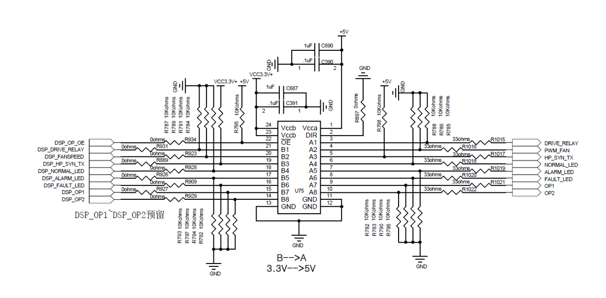
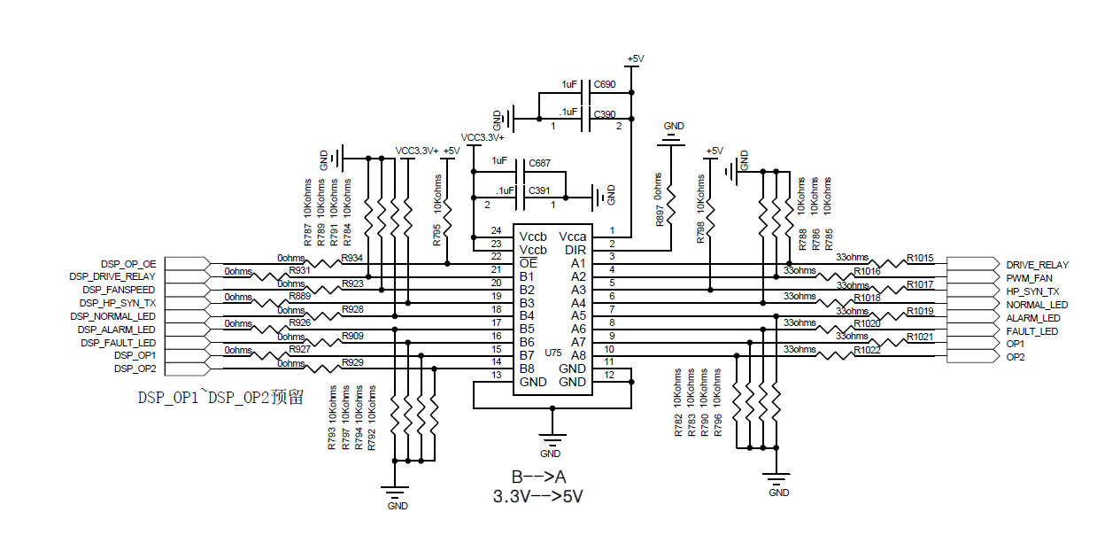
SN74LVC8T245QPWRQ1上电发出100us窄脉冲,试了好几种办法,依旧存在窄脉冲,请问是否有PIN to pin的替换芯片,谢谢!
This thread has been locked.
If you have a related question, please click the "Ask a related question" button in the top right corner. The newly created question will be automatically linked to this question.
SN74LVC8T245QPWRQ1上电发出100us窄脉冲,试了好几种办法,依旧存在窄脉冲,请问是否有PIN to pin的替换芯片,谢谢!