您好,
我们有一个将RGB888 转换为LVDS 信号给一款LVDS屏的应用,有个问题请教下,
有必要在SN75LVSD的 每组差分线之间(Y0P,Y0M;Y1P,Y0M....)之间并上100Ohm电阻吗?
This thread has been locked.
If you have a related question, please click the "Ask a related question" button in the top right corner. The newly created question will be automatically linked to this question.
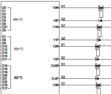
您好,
我们有一个将RGB888 转换为LVDS 信号给一款LVDS屏的应用,有个问题请教下,
有必要在SN75LVSD的 每组差分线之间(Y0P,Y0M;Y1P,Y0M....)之间并上100Ohm电阻吗?
对了,如果receiver端已经内部集成了100ohm的话,就可以直接连接,无需再加了。
我的意思也是这亲,想必一般这种终端匹配电阻,LCD厂商一定会LVDS RECEIVER端吗,,如果放在主板上,还有一段主板到屏之间CABLE线 无法端接了,,