This thread has been locked.

If you have a related question, please click the "Ask a related question" button in the top right corner. The newly created question will be automatically linked to this question.

DS15BA101: 数传测试

Part Number: DS15BA101
Other Parts Discussed in Thread: DS15EA101, , SN65LV1224B

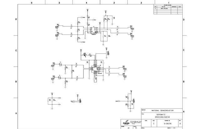
使用DS15BA101和DS15EA101做电缆延长数传环路实验,中间通过1米的5e双绞线连接,电路重排了2次仍然在接收端收不到发送的信号。但是如果将DS15BA101和DS15EA101旁路掉,只有串行器和解串器的情况下数据通路就是通畅的。不知道可能是什么原因?具体电路见下图。

  • 您好,RVO上拉953ohm到VCC,我看您电路这里是接地,另外,DS15EA101这里的R30和R31无需再使用50ohm到地,您这里接50ohm到地的原因是什么?因为前端已经AC耦合,直流信号已经被隔离掉了,所以也就不需要再给直流信号提供回路. datasheet中给出了100ohm STP以及50ohm coax的连接应用图,可以参考下:

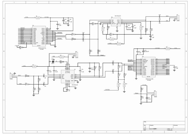
  • 使用时J7和J9是短接的,此时RVO通过953欧电阻上拉。另外,R30和R31的出现是参考了snlu005文档中评估板的电路,如下图。

  • 好的,那DS15BA101和DS15EA101的输入输出有没有使用示波器测量,是否有信号? 从而判断是否是cable的问题导致。

  • 用示波器进行了测量,cable没有问题。信号频率250MHz,信号幅度前后有变化:
    1.DS15BA101输入端信号+-700mv;

    2.DS15BA101输出端信号+-600mv;

    经过40米的cable传输后,

    3.DS15EA101输入端信号+-400mv;

    4.DS15EA101输出端信号+-300mv;

    但这一信号到达SN65LV1224B输入端,其输出端无输出信号。是不是信号幅度太小,导致SN65LV1224B解串器没有工作?这个器件输入信号的电平最小要求是多少呢?如何进行改善?

  • 您好,这是1224的输入信号Rin的电压范围要求。共模电压为1.1V,Vth(max)=50mV,Vtl(min)=-50mV。所以可以看出,Vid应该是最小200mV,典型LVDS的幅值为400mV。所以理论上+-300mV是没问题的。所以问题可以主要检查下1224,您附的电路中,看不清PWRDN 的引脚是否有接高电平?这个引脚低有效,,如果拉低,1224进入power down状态,不会有输出。