Part Number: PCA9515B
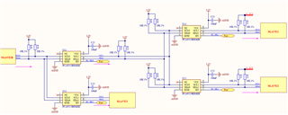
原理图请见附图。
使用4颗PCA9515B进行两级IIC总线扩展,第一级将SCL0/SDA0扩展为SCL1/SDA1与SCL2/SDA2,第二级将SCL1/SDA1扩展为SCL3/SDA3与SCL4/SDA4;
现在测试发现,MASTER可以正常读写第一级的SLAVE3,但是对第二级的SLAVE1与SLAVE2读写异常。示波器测量MASTER端的SCL0/SDA0信号发现异常,波形低电平为0.6V左右;
在SLAVE1与SLAVE2端测量SCL/SDA电平均正常。
不知是不是因为PCA9515B不支持这样2级级联的方式?请麻烦看看这样设计电路是否不对。
谢谢!

