Dears,
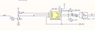
用这颗物料搭建的总线节点一包10个字节,当发送大于等于14个数据的时候数据会丢失,MCU是STC的51单片机,请问可能的原因是什么,多谢!
This thread has been locked.
If you have a related question, please click the "Ask a related question" button in the top right corner. The newly created question will be automatically linked to this question.
Dears,
用这颗物料搭建的总线节点一包10个字节,当发送大于等于14个数据的时候数据会丢失,MCU是STC的51单片机,请问可能的原因是什么,多谢!
总线上只有一个节点吗?点对点通讯的是吧,cable长度是多少?是否在接收端有端接120ohm终端匹配电阻?
我怀疑是信号完整性导致的问题。
Hi Kailyn,
项目一共是26个节点,实际应用中近200米左右,最后一个节点上接了120Ω,是总线上大于14个节点后就开始丢数据,tks!
200米的cable,data rate是多少?data rate和cable length是成反比的,如果data rate比较高,cable length也比较长,那么较高的jitter就会引起通讯异常。
另外,总线上多个节点通讯,建议在cable的两端都加上终端匹配电阻120ohm。

原理图没问题,多节点,cable距离比较长的应用,建议在cable两端的收发器都端接上120ohm匹配电阻:
