This thread has been locked.

If you have a related question, please click the "Ask a related question" button in the top right corner. The newly created question will be automatically linked to this question.

电平转换芯片TXB0106不工作

Other Parts Discussed in Thread: TXB0106, DRV8301

你好:

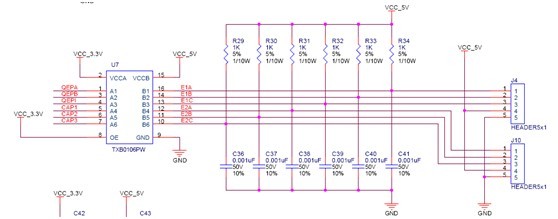
我有一块DRV8301驱动板,就是TI官方给出的那个可插卡的电机控制套件ControlSuite,板上有一块电平转换芯片TXB0106PW,是用于将电机输出的5V的三路QEP和三路HALL信号转换为进入DSP的3.3V信号。官方给出的应用电路如下:

现在的问题是:当我参照应用电路在J4端接上5V的电源和QEPA与QEPB信号时(没有用INDEX信号,所以QEPI没接),转换芯片TXB0106PW右边VCCB电平5V正常,E1A/E1B用示波器观察到QEP方波信号也正常,但是左边VCCA对应的输出QEPA/QEPB却是3.3V高电平,并没有输出3.3V的方波信号,电平转换不成功,这是什么原因呢?datasheet没说一定要六路同时接通信号吧?而且我把右边的六路同时都接上QEP和HALL信号,左边输出全都是3.3V高电平,是何原因?(VCCA3.3V,使能端OE也是3.3V) 谢谢!