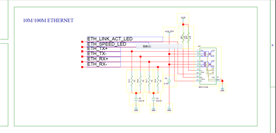
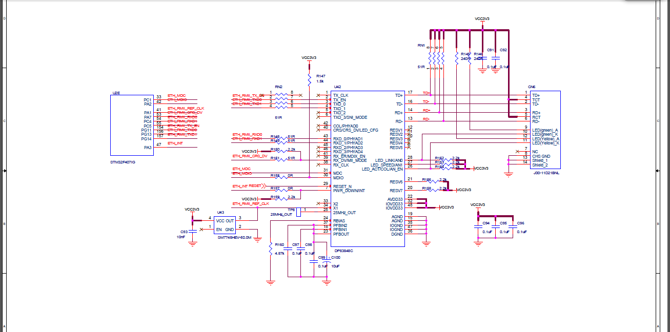
大家好!这边使用STM32F407+DP83848C构建了100M以太网电路,在用ST提供的TCP echo server例程进行网络测试时,MCU发现下载完程序,使用命令窗口发送数据时,可以正常接收,断电后重新上电,发送数据时提示为超时,使用硬件复位PHY,按下连接到PHY芯片Reset_N管脚的按钮后,又可以正常发送接收数据,这边想得是不是上电时没有满足PHY的上电时序?请问有人碰到过这个情况吗?电路图详见附件
This thread has been locked.
If you have a related question, please click the "Ask a related question" button in the top right corner. The newly created question will be automatically linked to this question.
大家好!这边使用STM32F407+DP83848C构建了100M以太网电路,在用ST提供的TCP echo server例程进行网络测试时,MCU发现下载完程序,使用命令窗口发送数据时,可以正常接收,断电后重新上电,发送数据时提示为超时,使用硬件复位PHY,按下连接到PHY芯片Reset_N管脚的按钮后,又可以正常发送接收数据,这边想得是不是上电时没有满足PHY的上电时序?请问有人碰到过这个情况吗?电路图详见附件
DP83848C内部集成了POR(power on reset)电路,所以上电时序应该是没有问题的,应该是中断机制没有做好,断电时应该先发送一个中断指令,表示发送中断,否则重新上电之后可能就会出现发送超时的现象。