Other Parts Discussed in Thread: TFP401A, SN74AVCA164245
各位大神好:
我有一个HDMI转RGB的板,用的芯片是TFP401A。有个奇怪的现象求解决:
开机前把HDMI接上以后,开机,出来的画面会有很多噪点,类似于干扰的现象。此时,把HDMI拔掉重新插上,画面就正常了;
或者是开机前不插HDMI,开完机再插上,画面也正常。
我试过开机前插上HDMI,但先不给此板上电,等主板启动完再给此板上电,出来的画面仍然是多噪点的,也只能拔插一次才恢复正常。
请问各位大神,这是什么情况?有没有解决的办法?
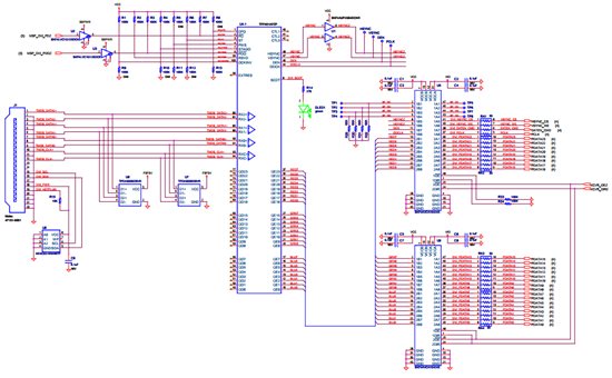
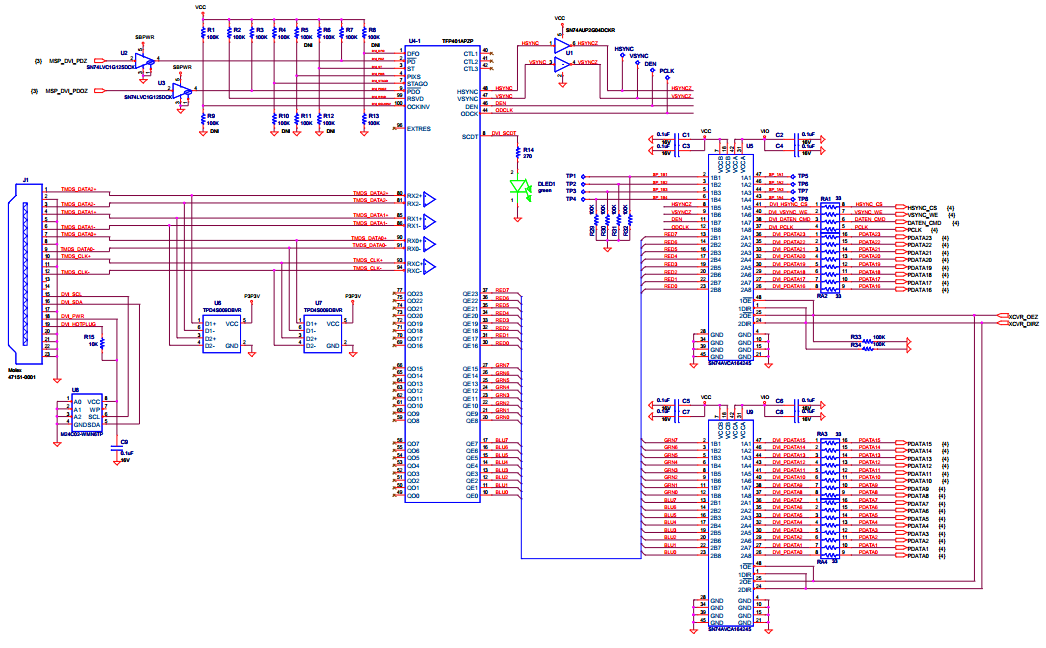
附原理图:


