A Port输入3.3v方波,B Port理论应输出5v方波,实际输出的方波,高电平时候用示波器测量只有2.5v左右。
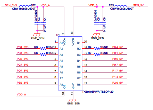
原理图如下:
输出的波形:
感觉挺简单的芯片,找不到原因。请高手解答。
This thread has been locked.
If you have a related question, please click the "Ask a related question" button in the top right corner. The newly created question will be automatically linked to this question.
A Port输入3.3v方波,B Port理论应输出5v方波,实际输出的方波,高电平时候用示波器测量只有2.5v左右。
原理图如下:
输出的波形:
感觉挺简单的芯片,找不到原因。请高手解答。
输入端是一个简单的方波信号。我在输出端接了一个大下拉电阻,输出就正常了。是不是因为OD输出的原因?
如果你的信号是漏极开路的话,那就不适合用TXBxx的产品,可使用同一类型的TXSxx产品,比如TXS0108。
the TXB0108 should not be used in applications such as I2C or 1-Wire where an opendrain driver is connected on the bidirectional data I/O. For these applications, use a device from the TI TXS01xx series of level translators.
PP输出的话采用TXBxx的话没有问题,信号速率为多大? TXB0108最大能支持的速率为100Mbps。