利用DP83620 实现电口通信和光通信,通过电阻配置和寄存器配置实现光电切换,现在电口通信已经调通,但是光通信无法连接上。电口通信上说明mcu和phy通信已经没有问题,现在就差光通信下相关寄存器的配置和光收发芯片的匹配网络配置了。
看到demo原理图mcu和光模块的匹配网络如图:
有几个问题:1 为什么发射端采用交流耦合 而接收端采用直流耦合 ,都采用直流耦合或者交流耦合是否可行?
2 交流耦合和直流耦合的上下拉电阻配置应该是相反的,原理图是不是错误了?
This thread has been locked.
If you have a related question, please click the "Ask a related question" button in the top right corner. The newly created question will be automatically linked to this question.
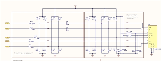
利用DP83620 实现电口通信和光通信,通过电阻配置和寄存器配置实现光电切换,现在电口通信已经调通,但是光通信无法连接上。电口通信上说明mcu和phy通信已经没有问题,现在就差光通信下相关寄存器的配置和光收发芯片的匹配网络配置了。
看到demo原理图mcu和光模块的匹配网络如图:
有几个问题:1 为什么发射端采用交流耦合 而接收端采用直流耦合 ,都采用直流耦合或者交流耦合是否可行?
2 交流耦合和直流耦合的上下拉电阻配置应该是相反的,原理图是不是错误了?