This thread has been locked.

If you have a related question, please click the "Ask a related question" button in the top right corner. The newly created question will be automatically linked to this question.

求问ti的工程师大神,lmh0031使用压控振荡器进行抖动消除,原来的偏置功能就不用了吗(刚刚修改了,麻烦重新审核下)

Other Parts Discussed in Thread: LMH0031, LMH0034

1、对于vclk输出时有较强jitter,给出了解决方案

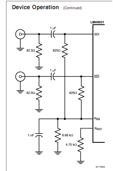
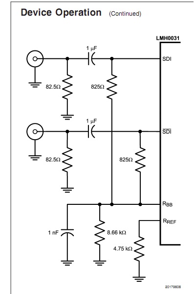
此时Rbb接法如上图,那原来的提供偏置功能的接法

是否就不用了呢?那么阻抗匹配的82.5欧姆和825欧姆电阻是否就都去掉,改在原来接82.5欧的地方接匹配75欧姆(接75欧同轴线,或者50欧匹配lmh0034)这样呢?是接在隔直电容前面接地吧?

2、此外,推荐的压控振荡器

型号都比较偏,有没有比较常见的器件来替代呢?

  • 你好,

    第一个问题,

    如果用VCXO来给LMH0031提供低抖动时钟模式,需要设置寄存器Video Control 0, 此外你提到的,

    关于SDI输入是否还需要加偏置问题。你可以参考手册page6, 有对SDI信号Vcm和Vin的描述,

    Vcm=Vss+1.0  ~ Vddsi-0.05,  对于单电源系统Vss=0, Vddsi=3.3v,那么vcm范围是1V ~3.25V,

    如果没有输入交流耦合没有偏置那么是有问题的。 因为Rbb已经占用,你可以考虑用两个75ohm上拉到2.5V.

    一般在LMH0031前还有均衡器EQ,只要EQ后直接DC耦合到0031,就没有问题.

    第二个问题,关于VCXO型号,

    这些推荐的都是大牌,是验证过的,你如果要换型号,建议选差不多指标的,

    比如牵引范围, Kvcxo等,

    毕竟这个不是一个非常灵活的PLL,而且VCXO都是pin兼容的,你可以多申请几个牌子测试下。

  • 十分感谢你的回答。关于偏置的问题还要请教一下。我在lmh0031前面接入的是lmh0034作为均衡器,您说的dc耦合是指lmh0034的输出不接隔直电容直接接到lmh0031的输入吗?还是说经过隔直电容,然后在lmh0031的输入端接50欧姆电阻(lmh0034均衡之后是50欧姆阻抗)上拉?如果采用后一种方式,lmh0034的输出参考电路有隔直电容,lmh0031的输入参考电路也有一个,这两个是串接还是怎么样? 再次感谢您的关注
  • LMH0034输出SDI信号是有共模的,是和LMH0031兼容的,去掉电容,直接接就可以了,靠近LMH0031的pin +/-之间跨接100ohm作为终端匹配就可以了