Other Parts Discussed in Thread: DS90UB933-Q1
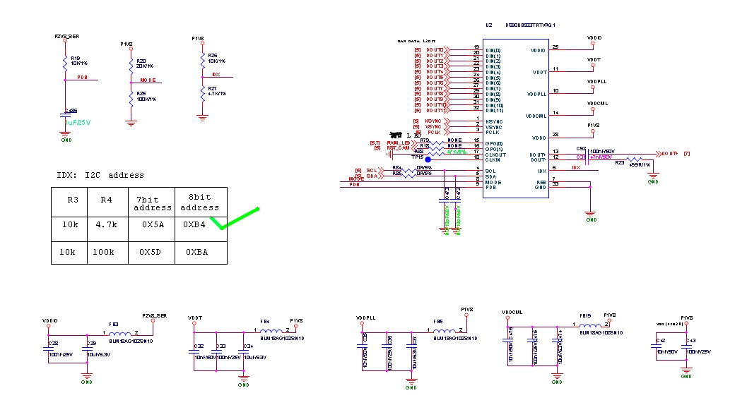
问题描述:串行器使用的是DS90UB933-Q1
1,客户的同轴线与我们的摄像头和控制器搭配时,个别的机器出现摄像头初始化失败问题,其他的初始化可以成功,但是出现LOCK时高时低的现象,测试线束S参数,又满足标准
2,用安费诺的同轴线,LOCK常高,故障可以解除
麻烦帮忙看下原理图是否有问题


This thread has been locked.
If you have a related question, please click the "Ask a related question" button in the top right corner. The newly created question will be automatically linked to this question.
问题描述:串行器使用的是DS90UB933-Q1
1,客户的同轴线与我们的摄像头和控制器搭配时,个别的机器出现摄像头初始化失败问题,其他的初始化可以成功,但是出现LOCK时高时低的现象,测试线束S参数,又满足标准
2,用安费诺的同轴线,LOCK常高,故障可以解除
麻烦帮忙看下原理图是否有问题


您好,根据您的描述换了安费诺的同轴线故障解除,可以判断不是原理图的问题,是线束的问题。
不同的线束针对不同的频率的插值损耗是不同的,所以在性能上会有差异。