Other Parts Discussed in Thread: DP83640
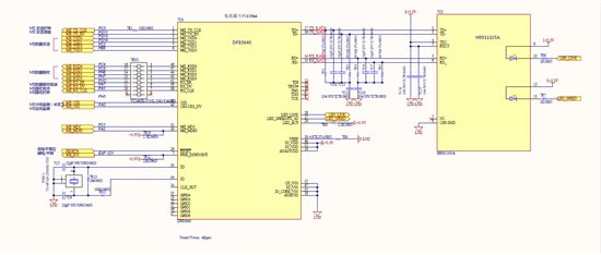
新做了板子,MCU采用stm32f429ig,PHY为dp83640,现在dp83640驱动不起来,我的问题是,如果dp83640供电和时钟输入(25M有源晶振)都没有问题的情况下,会输出TX_CLK和RX_CLK吗?我想确认下硬件是否还存在问题。谢谢。
This thread has been locked.
If you have a related question, please click the "Ask a related question" button in the top right corner. The newly created question will be automatically linked to this question.
Other Parts Discussed in Thread: DP83640
新做了板子,MCU采用stm32f429ig,PHY为dp83640,现在dp83640驱动不起来,我的问题是,如果dp83640供电和时钟输入(25M有源晶振)都没有问题的情况下,会输出TX_CLK和RX_CLK吗?我想确认下硬件是否还存在问题。谢谢。
25MHz晶振输入的话,TC_CLK和RX_CLK都应该有输出的,看你电路图的接法,25MHz应该是无源晶振,不是有源的啊depeng kong1 说:新做了板子,MCU采用stm32f429ig,PHY为dp83640,现在dp83640驱动不起来,我的问题是,如果dp83640供电和时钟输入(25M有源晶振)都没有问题的情况下,会输出TX_CLK和RX_CLK吗?我想确认下硬件是否还存在问题。谢谢。