This thread has been locked.
If you have a related question, please click the "Ask a related question" button in the top right corner. The newly created question will be automatically linked to this question.
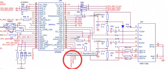
网口部分我参照DP83648已经搞定了,就是PTP部分应该怎样连接?感激不尽啊
是不是再将DP83640的GPIO1、2、3、4、8、9与STM32的GPIO相连就可以了?还是其他地方也需要做什么,求前辈们指点啊!
还DP83640的GPIO是用来引入GPS或者北斗传回来的1PPS来打时间戳的,哪位前辈知道的麻烦告诉一下啊,拜托了