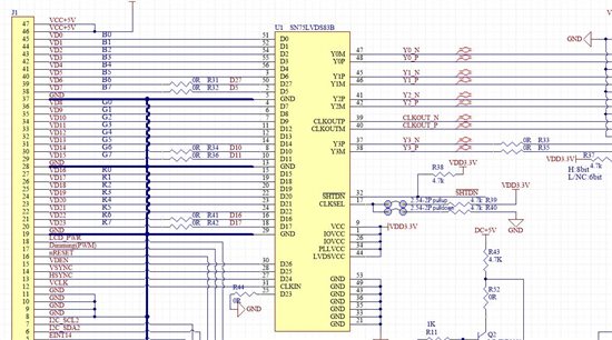
请问上图是否有问题?!
R0-7、G0-7、B0-7 数据线,VDEN(D26)、VSYNC(D25)、HSYNC(D24)、CLKEN 还需要加上拉4.7k电阻吗?
This thread has been locked.
If you have a related question, please click the "Ask a related question" button in the top right corner. The newly created question will be automatically linked to this question.
实际电路中,RGB888的data线,HSYNC,VSYNC可以不用上拉4.7Kohm电阻,CLKSEL上拉电阻可以使用4.7KOhm电阻