This thread has been locked.

If you have a related question, please click the "Ask a related question" button in the top right corner. The newly created question will be automatically linked to this question.

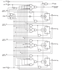
SN74LS191: SN74LS191

Part Number: SN74LS191


请问  74LS191/190芯片是使用了EEPROM还是EPROM还是PLD还是CPLD?  这属于逻辑芯片的哪一种?