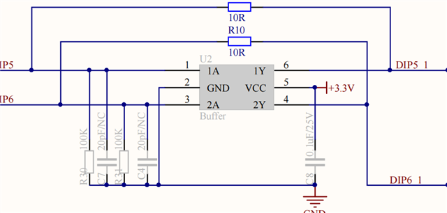
Part Number: SN74LVC2G34
Hello, I'm planning to use SN74LVC2G34 as a buffer component to enhance the backlight driver. May I ask how to design the peripheral circuit of the chip reasonably? Because after looking at the specification sheet of SN74LVC2G34, I didn't find any recommended external design.