部件号:PGA855
工具/软件:
您好:
我们正在使用 PGA855设计一个模拟前端、以测量±12.5V 的电压。此定制板上有8个模拟前端。 该电路板由电池供电、且通道未隔离;所有通道都有一个通用基准。
输入电压的阻抗较低时、电路的行为良好。 但是、当输入阻抗大于100kΩ 时、我们开始看到大约500–600nA 的输入漏电流、这导致输入电压下降约2%。 更糟糕的是、当共模电压上升(仍在±12.5V 范围内)时、该意外电流会增加。
为了模拟这种问题行为、我使用一个由三个100kΩ 电阻器组成的阶梯电路、这些电阻器与~10V 电池(3节锂聚合物)串联连接。 我将 PGA+和 PGA−Ω 连接到高侧100kΩ 电阻器。 然后、我在电阻梯中的不同节点处连接公共基准、并观察到随着共模电压的增加、偏置电流会增加。 例如、我预期测量的输入电压为3.33V。但是、当我连接 PGA+、PGA−和基准时、该电压降至3.28V。如果我计算出电流:3.33 - 3.28 = 0.05V→0.05V / 100kΩ= 500nA。 所有通道均显示约500nA 至600nA 的输入漏电流。 当共模电压达到最高时、漏电流会达到令人讨厌的3–4 µA。
我将电阻梯连接到 PGA855 EVM、行为正确。 即使我将基准移动到电路中的每个节点、输入电压也保持不变(即、不会因共模电压的增加而产生额外误差)。
为了找到漏电流源、我尝试了很多方法。 下面是我为了识别罪魁祸首而删除的组件列表:
-
R2的一部分
-
D19和 D10
-
C169
-
C175.
-
C172
-
R179和 R180 (将输入连接到尽可能靠近 PGA 的位置、确保 PCB 布线没有漏电)
-
移除了 L21和 L23、从外部电源(而不是板载±15V)为 PGA 供电
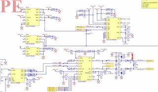
在所有这些变化后、漏电流保持完全相同。 我选择不多、所以我要寻求帮助。 我将 PGA855实现的原理图表附加到定制电路板上。
非常感谢您花时间研究我们的问题。


