This thread has been locked.

If you have a related question, please click the "Ask a related question" button in the top right corner. The newly created question will be automatically linked to this question.

[参考译文] INA250:我的设计中有什么问题,它烧了很多INA250A4芯片?

Guru**** 2513185 points
Other Parts Discussed in Thread: INA250

请注意,本文内容源自机器翻译,可能存在语法或其它翻译错误,仅供参考。如需获取准确内容,请参阅链接中的英语原文或自行翻译。

https://e2e.ti.com/support/amplifiers-group/amplifiers/f/amplifiers-forum/592172/ina250-what-is-the-problem-in-my-design-that-has-burn-many-ina250a4-chips

部件号:INA250

我使用该板来测量步进电机两相的电流,使用正确的两个通道。 我将这两个信道分别称为H1和H3。

如果我只使用H1通道,则测量正常。 如果我只使用H3通道,测量也正常。 当我同时使用这两个通道时,H1和H3通道中的INA250A4芯片将会损坏。

请帮助我找到我的设计中的问题所在。 原理图文件和Altium Designer PCB项目可从下载  

谢谢你。  

  • 请注意,本文内容源自机器翻译,可能存在语法或其它翻译错误,仅供参考。如需获取准确内容,请参阅链接中的英语原文或自行翻译。
    云龙

    首先要问两个问题:1. 这是否是发送至步进电机的快速斜升PWM信号? 2.当您说损坏和烧焦时,您是指部件过热,还是部件已停止工作,需要更换?
  • 请注意,本文内容源自机器翻译,可能存在语法或其它翻译错误,仅供参考。如需获取准确内容,请参阅链接中的英语原文或自行翻译。

    您好,Jason:

    感谢您的回复。

    问题1:

    我使用的步进电机驱动器芯片是,

    问题2:

    我再次进行了测试,发现芯片没有损坏。 客房状况良好。

    经过多次尝试后,我发现问题是我只能使用INA250测量步进电机的一相电流。 如果测量步进电机的两相电流,则步进电机将不会旋转。 经过多次尝试,我发现用于测量步进电机A相的INA250电路与用于测量步进电机B相的INA250电路不能接地。 我不知道为什么他们不能有相同的立场。 请帮帮我。

    谢谢你。

  • 请注意,本文内容源自机器翻译,可能存在语法或其它翻译错误,仅供参考。如需获取准确内容,请参阅链接中的英语原文或自行翻译。

    您好,Yunlong,

    根据数据表,链接的RS应在引脚SRA和SRB的输出处测量。 我怀疑您正在尝试断开连接到电机线圈的接线,并在那里执行测量。 这不起作用,因为每个相位都被提供与直流链路总线(电源电压)相同振幅的交流电,并且相位是偏移的。 如果您尝试共用一个共用接地线,则表明其中一个相位短路。

    这与无刷直流电机通常采用的配置不同,在不需要输出时,所有相位上均采用50 % 占空比的PWM。 然后,每个相位处于电源电压的1/2处,因此不会出现电流。  通过增加或减少 占空比,电压差,从而在相位之间产生电流吸收器或源,但总输出始终在GND和电源电压范围内。

  • 请注意,本文内容源自机器翻译,可能存在语法或其它翻译错误,仅供参考。如需获取准确内容,请参阅链接中的英语原文或自行翻译。

    卡 洛斯,您好!

    感谢你的帮助。 我知道你是对的,但经过仔细思考,我仍然不明白这句话的意思:“如果你试图分享一个共同的立场,你就是在对其中一个阶段短路。”  为什么? 您能详细解释一下吗?

    谢谢你。

  • 请注意,本文内容源自机器翻译,可能存在语法或其它翻译错误,仅供参考。如需获取准确内容,请参阅链接中的英语原文或自行翻译。

    卡 洛斯,您好!

    您能否详细解释短路的原因?

    谢谢你。

  • 请注意,本文内容源自机器翻译,可能存在语法或其它翻译错误,仅供参考。如需获取准确内容,请参阅链接中的英语原文或自行翻译。

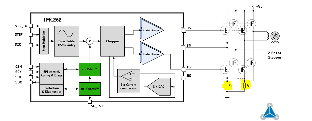
    H形电桥使步进电机的相位180度脱离相位,因此在电机驱动器的输出处产生一个交流信号。

    查看下图,对于您所选的控制器,您可以看到,4个输出中的每个导入步进器的输出都连接到半桥配置中的两个MOSFET。 一个通向GND,一个通向VCC。 通过排列这些开关,任一输出可能连接到VCC或GND,从而生成交替输出波形

    如果您的测量板,示波器或任何类似的测量电流设备具有到GND的公共路径,则当顶部MOSFET将该输出连接到VCC时,将会发生短路。 测量此值的唯一方法是执行差分测量。

    您需要重新设计电路,以便测量MOSFET返回路径到GND的电流,如下面突出显示的感应电阻所示。

    或者,如果您仍希望继续测量电机相位,则需要重新布置电路,以便执行差分测量。 请注意,根据交流输出的性质,此方法还会监测自由转动电流,并将导致测量值为正和负。 这反过来会增加复杂性,因为必须通过将MOSFET开/关时间与相应读数同步来重建原始电流。