This thread has been locked.

If you have a related question, please click the "Ask a related question" button in the top right corner. The newly created question will be automatically linked to this question.

[参考译文] Tina/Spice/LMH6629:111

Guru**** 2507255 points
Other Parts Discussed in Thread: LMH6629, TINA-TI, BUF602, LMH6559, OPA656, OPA300, OPA857

请注意,本文内容源自机器翻译,可能存在语法或其它翻译错误,仅供参考。如需获取准确内容,请参阅链接中的英语原文或自行翻译。

https://e2e.ti.com/support/amplifiers-group/amplifiers/f/amplifiers-forum/642491/tina-spice-lmh6629-111

线程中讨论的其他部件:LMH6629TINA-TIBUF602LMH6559OPA656OPA300OPA857

 

  • 请注意,本文内容源自机器翻译,可能存在语法或其它翻译错误,仅供参考。如需获取准确内容,请参阅链接中的英语原文或自行翻译。

    您好,Ali,

    您使用的缓冲器配置放大器可能存在问题。 LMH6629在其默认配置中要求最低增益为10 V/V,以确保稳定性。 WSOON-8封装包含一个补偿引脚,可在失去一些带宽时将所需的最小增益降低至4 V/V,这将适用于您的最后一个阶段。

    评论互阻抗级的稳定性有点困难,因为看起来您正在尝试“引导” 二极管的电容,这会 对 放大器的稳定性产生一定影响。 如果您可以获得带宽的冲击,那么尝试使用更稳定的放大器可能最符合您的利益。

    此致,  

  • 请注意,本文内容源自机器翻译,可能存在语法或其它翻译错误,仅供参考。如需获取准确内容,请参阅链接中的英语原文或自行翻译。

    1.

  • 请注意,本文内容源自机器翻译,可能存在语法或其它翻译错误,仅供参考。如需获取准确内容,请参阅链接中的英语原文或自行翻译。
    您好,Ali,

    当您说110nF电容器时,您是指您为bootstrap连接的10nF系列电容器吗? 额外的噪音是互阻抗配置的不良副作用。 降低噪声峰值的唯一方法是通过减小电容器来通过输入电容来移动噪声增益极原因。 您是否可以使用较低的电容源(我假设是光电二极管?)

    此致,
  • 请注意,本文内容源自机器翻译,可能存在语法或其它翻译错误,仅供参考。如需获取准确内容,请参阅链接中的英语原文或自行翻译。

    1.

  • 请注意,本文内容源自机器翻译,可能存在语法或其它翻译错误,仅供参考。如需获取准确内容,请参阅链接中的英语原文或自行翻译。
    您好,Ali,

    我明白你现在的意思。 当您说在输出端看到噪音时。 您是指噪声模拟,还是指通过瞬态模拟在输出上看到电压干扰? 拆下大输入电容器实际上应该会降低电路的总噪声,但根据bootstrap的配置,我希望它仍然会振荡。

    此致,
  • 请注意,本文内容源自机器翻译,可能存在语法或其它翻译错误,仅供参考。如需获取准确内容,请参阅链接中的英语原文或自行翻译。

    1.

  • 请注意,本文内容源自机器翻译,可能存在语法或其它翻译错误,仅供参考。如需获取准确内容,请参阅链接中的英语原文或自行翻译。
    您好,Ali,

    您是否定期看到电压干扰? 我认为它们实际上可能是一种振荡,最有可能发生在bootstrap放大器上。 您是否能够分享您所看到的内容的图片?

    此致,
  • 请注意,本文内容源自机器翻译,可能存在语法或其它翻译错误,仅供参考。如需获取准确内容,请参阅链接中的英语原文或自行翻译。

    1.

  • 请注意,本文内容源自机器翻译,可能存在语法或其它翻译错误,仅供参考。如需获取准确内容,请参阅链接中的英语原文或自行翻译。
    您好,

    这肯定是一种振荡。 我注意到您的示波器只有200 MHz的带宽,因此实际上可能无法捕获振荡,因为LMH6629的带宽比这要高得多。 您是否有可用于查看信号频率内容的高频频谱分析仪? 首选几GHz带宽。

    此致,
  • 请注意,本文内容源自机器翻译,可能存在语法或其它翻译错误,仅供参考。如需获取准确内容,请参阅链接中的英语原文或自行翻译。

    1.

  • 请注意,本文内容源自机器翻译,可能存在语法或其它翻译错误,仅供参考。如需获取准确内容,请参阅链接中的英语原文或自行翻译。

    您好,Ali,

    很抱歉回复延迟。

    1.第一级LMH6629 TIA似乎补偿不足,这就是  您可能会看到输出波形中出现振荡的原因。 我建议您在第一级将反馈电容器增加到500fF (或更高到1.2pF),并查看振荡是否消失。

    2.大多数高速运算放大器(LMH6629没有不同)在反馈电阻器较高时往往会振荡,除非使用反馈电容对其进行补偿。 我注意到,在第二级,RF值为9.5k,这可能是振荡的第二个来源。 我建议将其设为500欧姆,然后将rg设为50欧姆。

    3.我建议将C4电容从100pF降至10pF,以便从级联阶段中获得更多BW。

    以下TINA-TI中的上述建议的交流响应看起来很好,没有明显的峰值,并且应该表明系统是稳定的。 我已经为该模块附加了TINA-TI模型。

    此致,

    Rohit

    e2e.ti.com/.../LMH6629_5F00_NoBootstrapTIA.TSC

  • 请注意,本文内容源自机器翻译,可能存在语法或其它翻译错误,仅供参考。如需获取准确内容,请参阅链接中的英语原文或自行翻译。

    11.

  • 请注意,本文内容源自机器翻译,可能存在语法或其它翻译错误,仅供参考。如需获取准确内容,请参阅链接中的英语原文或自行翻译。

    您好,Ali,

    我认为我的模型中没有bootstrap,因为我假设您看到的是没有bootstrap的振荡?

    此外,要使bootstrap正常工作,您需要bootstrap放大器中的BW至少是第一阶段TIA BW的10倍。 我认为您在我看到的图中没有正确配置LMH6629引导运算放大器,因为该设备不支持单位增益配置。 我认为,如果切换到OPA656 (它可以支持单位增益操作并具有FET输入)会更好。 Unity增益缓冲放大器(如LMH6559或BUF602)也是在光电二极管盖和LMH6629 TIA增益级反相输入之间引导的好选择。

    此致,
    Rohit

  • 请注意,本文内容源自机器翻译,可能存在语法或其它翻译错误,仅供参考。如需获取准确内容,请参阅链接中的英语原文或自行翻译。

    QQ

  • 请注意,本文内容源自机器翻译,可能存在语法或其它翻译错误,仅供参考。如需获取准确内容,请参阅链接中的英语原文或自行翻译。

    您好,Ali,

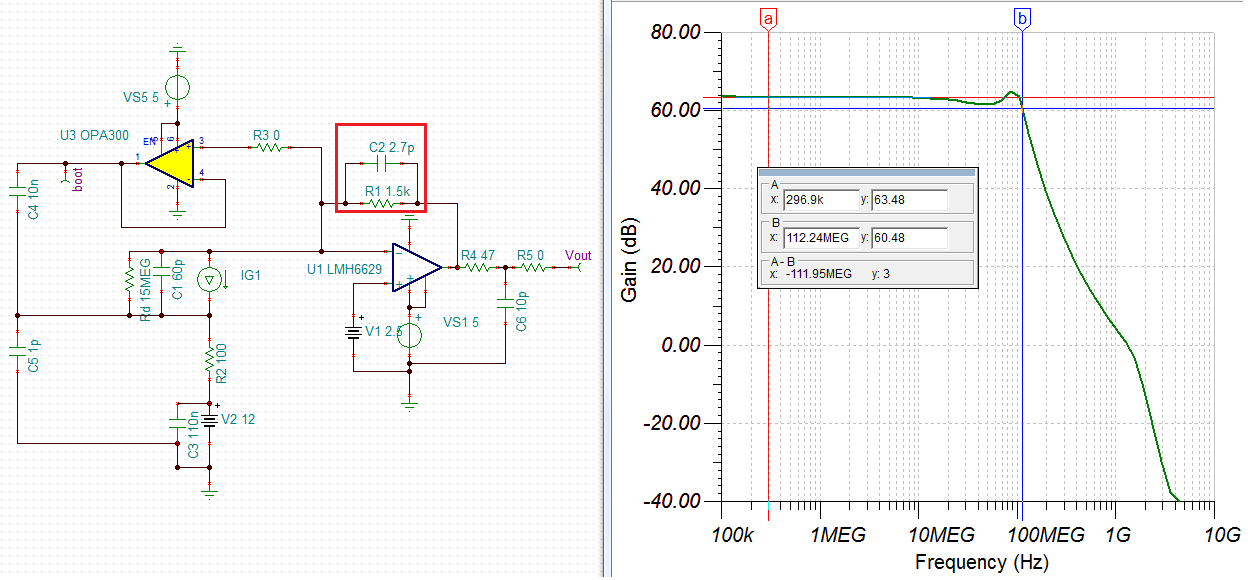
    您在使用bootstrap时遇到了什么问题? 它是振荡的吗? 您可以尝试增加射频和CF的值,看看TIA是否稳定,如下图所示。  

    此外,您是否有理由绝对需要bootstrap? 我知道您想要降低光电二极管(PD)电容,但这会增加TIA环路和自举环路之间不稳定的风险。 从OPA300数据表第8页,您可以看到G =1的输出阻抗在相当低的频率~100kHz (20dB/10d)下开始增加。 您看到的问题可能是由于输出阻抗增加,此时bootstrap回路无法在高频率下保持较低的PD电容。 这就是我建议使用较快缓冲区的原因,例如LMH6559或BUF602。  

    另一件事是,您尝试解决的问题也可以在不使用引导的情况下实现。 我在下面附上了LMH6629在不使用bootstrap的情况下实现100MHz BW的示意图。 如果您正在寻找比1.5k Ω 更高的互阻抗增益,那么我建议您看看OPA857,它应该提供~105MHz BW和20k TIA增益。  

    此致,

    Rohit

    1.具有引导的LMH6629:

    2. LMH6629不带引导(100MHz BW):

  • 请注意,本文内容源自机器翻译,可能存在语法或其它翻译错误,仅供参考。如需获取准确内容,请参阅链接中的英语原文或自行翻译。

    您好,

    很抱歉,我的回复延迟了。 我会拆下同相输入上的100pF电容器,因为这可能会导致第二级振荡。

    此致,