This thread has been locked.

If you have a related question, please click the "Ask a related question" button in the top right corner. The newly created question will be automatically linked to this question.

[参考译文] TL971:连接至LDO时TL971输出降低

Guru**** 2771175 points

Other Parts Discussed in Thread: TL971

请注意,本文内容源自机器翻译,可能存在语法或其它翻译错误,仅供参考。如需获取准确内容,请参阅链接中的英语原文或自行翻译。

https://e2e.ti.com/support/amplifiers-group/amplifiers/f/amplifiers-forum/640259/tl971-tl971-output-decreased-when-connect-to-ldo

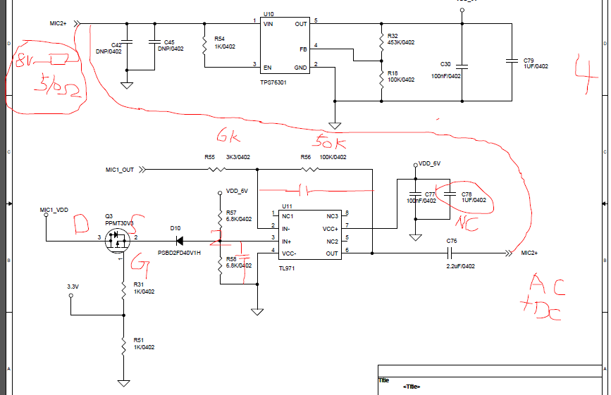
部件号:TL971

尊敬的:   

当TL971未连接TPS7.6301万时,TL971的输出是正常的,但当它连接到TPS7.6301万的输入时,TL971的输出降低到1V,其波形失真。 请给我一些建议吗? 请参考所连接的电路。

此致

凯林

  • 请注意,本文内容源自机器翻译,可能存在语法或其它翻译错误,仅供参考。如需获取准确内容,请参阅链接中的英语原文或自行翻译。
    您好,Kailyn:
    请提供MIC2+,VDD_6V,MIC1_OUT,u11引脚3处的直流电压测量值,以及两种配置中的运算放大器输出(可以在无输入信号的情况下测试这些电压)。 此外,两种配置中这些节点的示波器图像应有助于确认问题。