This thread has been locked.

If you have a related question, please click the "Ask a related question" button in the top right corner. The newly created question will be automatically linked to this question.

[参考译文] INA148:采用单电源时的 CM 范围

Guru**** 2502695 points
Other Parts Discussed in Thread: INA148

请注意,本文内容源自机器翻译,可能存在语法或其它翻译错误,仅供参考。如需获取准确内容,请参阅链接中的英语原文或自行翻译。

https://e2e.ti.com/support/amplifiers-group/amplifiers/f/amplifiers-forum/968227/ina148-cm-range-with-single-supply

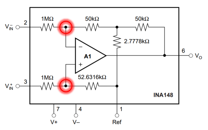
器件型号:INA148

大家好、

我的一位客户在单电源12V 应用中使用 INA148、Vref=0V。

CM 范围是多少、尤其是低限共模输入电压?

输出摆动到10.5V 时也会出现任何问题。

谢谢、

此致、

Joe

  • 请注意,本文内容源自机器翻译,可能存在语法或其它翻译错误,仅供参考。如需获取准确内容,请参阅链接中的英语原文或自行翻译。

    Joe、您好!

    感谢您发帖。 我可以为你效劳。

    在确定 INA148的边界图时、我们必须分析放大器输入和输出端的节点。 在12V 单电源下、该放大器的输出摆幅为0.25V 至11V (如数据表中所示–电压输出)。 该器件的传递函数为 Vout = Vd +基准电压 您的客户已将参考设置为0V。 因此、差分电压=输出摆幅。 对于线性运行、放大器输入端的电压(在下面的电路中以红色圆圈标记)必须介于0.25V 至11V 之间。 通过执行此操作、我们可以计算出该特定设置的输入共模电压范围为5V 至200V。