This thread has been locked.

If you have a related question, please click the "Ask a related question" button in the top right corner. The newly created question will be automatically linked to this question.

[参考译文] ISO224:可能的增益误差问题

Guru**** 2524560 points


请注意,本文内容源自机器翻译,可能存在语法或其它翻译错误,仅供参考。如需获取准确内容,请参阅链接中的英语原文或自行翻译。

https://e2e.ti.com/support/amplifiers-group/amplifiers/f/amplifiers-forum/902665/iso224-possible-gain-error-issue

器件型号:ISO224

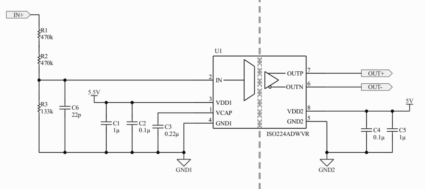
我使用的是 ISO224ADWVR、VDD1 = 5.5V、VDD2 = 5V。下面是我的设计的简化表示。 当我向 IN+施加100V 电压时、我在放大器的输入(引脚2)(如预期)处测量11.21V 电压、并在引脚7和6之间测量3.800V 输出电压。 理想输出为3.737V、因此这表示+1.7%的误差。 25°C 时、该误差为+/-1%的初始增益误差规格值 (我已验证输入失调电压小于3mV、完全符合规格)。 我在多个器件上观察到了这种行为、并对输入施加了各种电压。 在所有情况下、增益误差都高于预期(>1%)。 在我的设计中、ISO224ADWVR 通常连接到差分放大器、该放大器具有200k Ω 的有效负载。 作为一个实验、我完全移除了负载、但输出保持与之前一样(即、增益误差仍然高于预期)。

 

  • 请注意,本文内容源自机器翻译,可能存在语法或其它翻译错误,仅供参考。如需获取准确内容,请参阅链接中的英语原文或自行翻译。

    计算出来--"误差"是由于我的 DMM 负载(具有10 Mohm 输入阻抗),加上放大器看到的相对较高的源阻抗。 经验教训。   

  • 请注意,本文内容源自机器翻译,可能存在语法或其它翻译错误,仅供参考。如需获取准确内容,请参阅链接中的英语原文或自行翻译。

    您好、Matthew、

    德语中有一句很好的说法:“Wer misst mist.”

    谁衡量垃圾:-)

    Kai

  • 请注意,本文内容源自机器翻译,可能存在语法或其它翻译错误,仅供参考。如需获取准确内容,请参阅链接中的英语原文或自行翻译。

    您好、Matthew、

    很高兴听到问题得到解决!  

    如果您有其他问题、请告知我们。  

    我一定会使用这个短语 Kai:)