主题中讨论的其他器件:ISO124、
大家好!
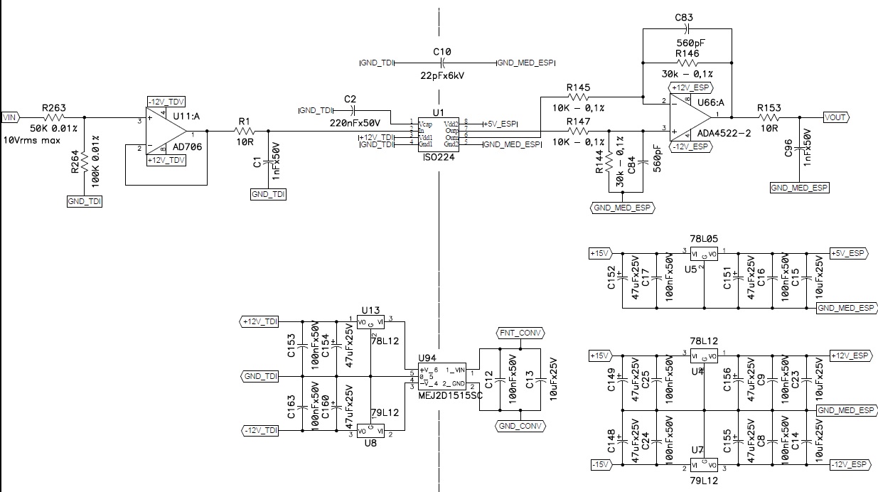
我最近将我的设计从 ISO124移至 ISO224、因为 ISO124存在偏移问题。
ISO224B 在许多方面都更好。 我的失调电压问题、主要是测量之间的温度变化、得到了解决。
问题是 ISO224在温度变化时表现出非常差的增益稳定性。 在电路的10ºC 50ºC 位置、温度在+̊ C 至+̊ C 之间变化。
I´m 在该温度范围内的增益变化为0.25%。 ISO124U 在相同的条件下会改变偏移、但增益保持稳定(变化很小)。
我将 ISO224与电路的其余部分进行了热隔离、以确定变化的原因、我´m 100%确定问题出在 ISO224B 上。
我的问题是:是否有任何模拟隔离器可以实现 ISO224的失调电压稳定性和 ISO124的增益稳定性? 是否有电路或任何改进来使 ISO224B 在温度变化时变得更加稳定(增益)?
提前感谢!
克里斯蒂亚诺
